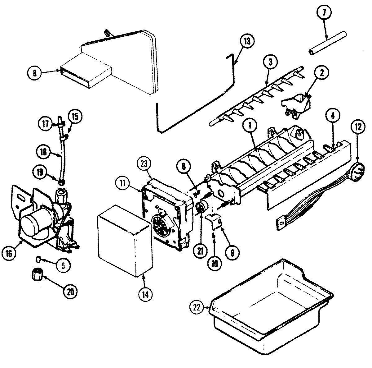
RTF1900CAE 03 – ICE MAKERadmin2025-04-26T08:49:56+00:00RTF1900CAE 03 – ICE MAKER ProductsPositionProduct1WP99003172 Whirlpool Silicone L1D7824706Q Whirlpool Refrigerator Ice Maker Assembly2WP628356 Whirlpool Refrigerator Fill Cup3WP627843 Whirlpool Refrigerator Ejector Arm4WP2182124 Whirlpool Refrigerator Stripper Arm5WP487627 Whirlpool Refrigerator Sleeve6WP2315522 Whirlpool Refrigerator Clip7MAY 67666-38MAY 67061-29BRACKET, MODULE & HEATER10MAY 95108-111MAY 400021-111MAY 95109-112MAY 70076-113MAY 68112-114MAY 68328-215W10833902 Whirlpool Refrigerator Clamp15MAY 65275-5016MAY 401018-116MAY 6100101917WPM0114003 Whirlpool Microwave Speed Clip Clamp18MAY 67579-719WP627018 Whirlpool Refrigerator Nut20WP245183 Whirlpool Nut21WP627985 Whirlpool Icemaker Cycling Thermostat21MAY 95093-122MAY 69919-223WP2195914 Whirlpool Refrigerator Ice Maker Housing23SCREW