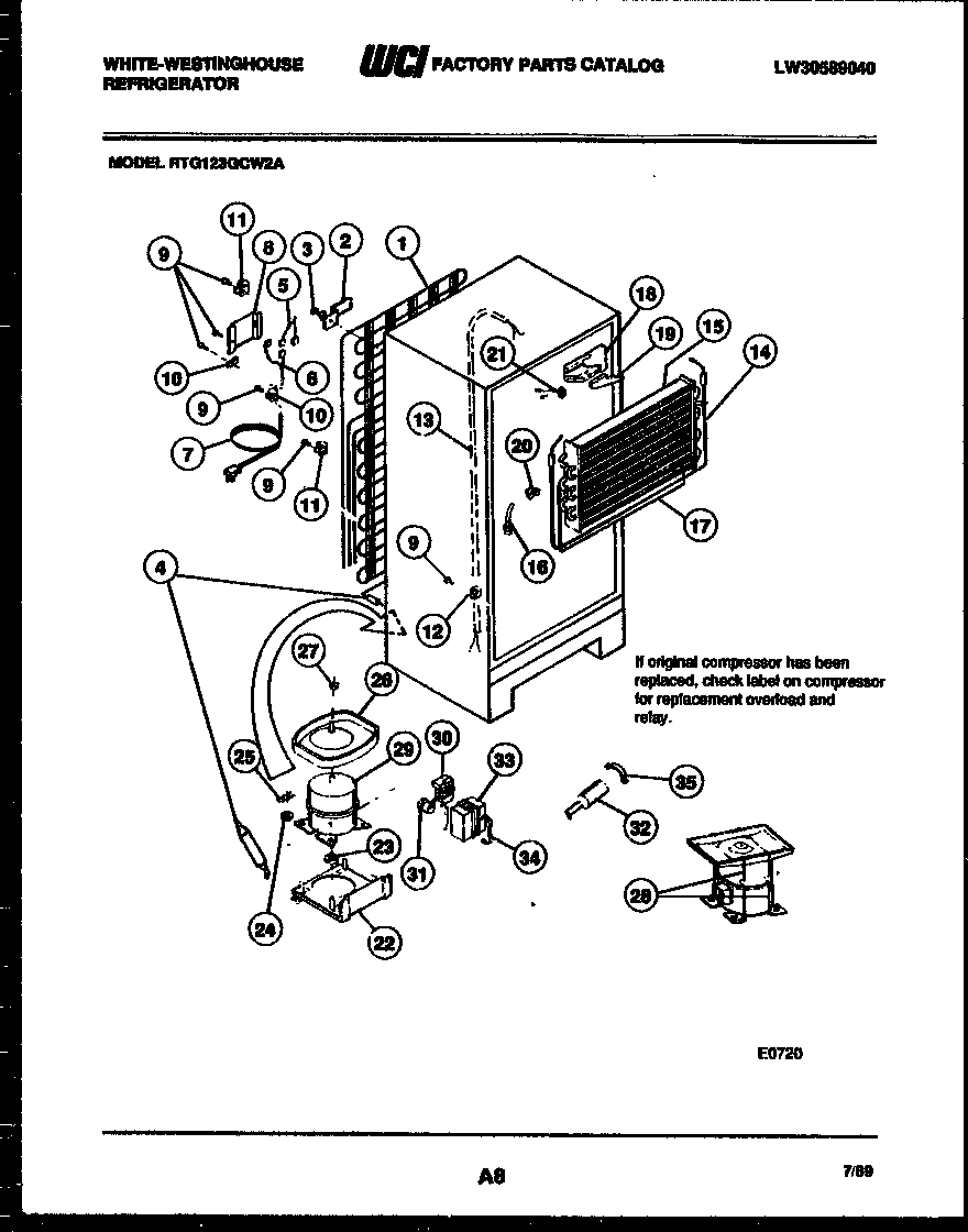
RTG123GCD2A 05 – SYSTEM AND AUTOMATIC DEFROST PARTSadmin2025-04-26T10:27:44+00:00RTG123GCD2A 05 – SYSTEM AND AUTOMATIC DEFROST PARTS ProductsPositionProduct1WCI G1649242BRACKET-CONDENSER MOUNTING (4)35308000039 Frigidaire Refrigerator Screw3AWASHER45303305677 Frigidaire Replacement Filter Dryer Filters5WIRING HARNESS-CONTROL6HARNESS-COMPRESSOR7CORD, SERVICE8WCI G18358495304455651 Frigidaire Refrigerator Screw105303001199 Frigidaire Refrigerator Wiring Harness Clamp11240396801 Frigidaire Refrigerator Tube Clamp13AWCI 320259613WCI 320166314WCI G162432-0115EVAPORATOR165308000110 Frigidaire Refrigerator Evaporator/Heater Primary Strap17INSULATOR-EVAPORATOR18BLOCK, EVAPORATOR, RH19PLUG, EVAPORATOR INSULATION BLOCK, R H20BLOCK, LEFT SIDE215303917954 Frigidaire Refrigerator Defrost Limit Thermostat Kit22WCI G16282223218513300 Frigidaire Refrigerator Compressor Mount Grommet24WASHER, COMPRESSOR MOUNTING (4)25CLIP, COMPRESSOR MOUNTING (4)26A5303307583 Frigidaire Refrigerator P1 Pad Noise Reduction26DEFROST PAN & NUT27NUT, LOCK28PAN RETAINER KIT-SERVICE29WCI G19036030WCI G182225-1831WCI G18887732WCI 3018427345303006412 Frigidaire Refrigerator Cover Mounting Strap34AHOT TUBE REPAIR KIT (NON-ILLUSTRATED)35STRAP CAPACITOR