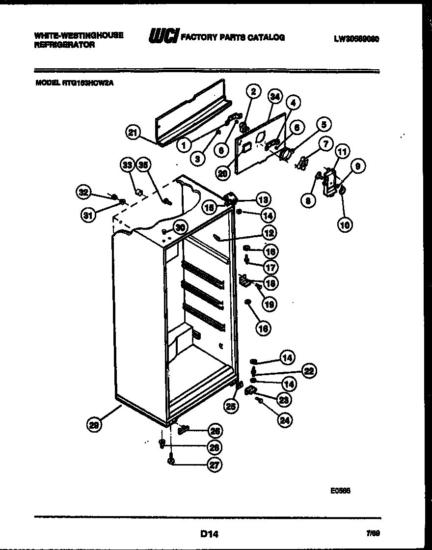
RTG153HCH2A 03 – CABINET PARTSadmin2025-04-26T10:28:23+00:00RTG153HCH2A 03 – CABINET PARTS
Products
| Position | Product |
|---|
| *20954 | BUTTON, LINER |
| 1 | WCI 3205119 |
| 2 | 5300158289 Frigidaire Evaporator Fan Motor |
| 3 | WCI G164571 |
| 4 | WCI 3205118 |
| 5 | RING, FAN ORIFICE |
| 5A | 5304455651 Frigidaire Refrigerator Screw |
| 6 | G187559 Frigidaire Refrigerator Bushing |
| 7 | 5308000010 Frigidaire Refrigerator Evaporator Fan Blade |
| 8 | DAMPER FAN COVER |
| 9 | NUT, DAMPER MOUNTING |
| 10 | KNOB-DAMPER CNTRL |
| 11A | LABEL-FAN COVER |
| 11 | COVER-FAN |
| 12 | TRIM, WHEAT |
| 13A | 241710601 Frigidaire Refrigerator Screw |
| 13B | TAPPING PLATE (2) |
| 13 | BRACKET, TOP HINGE |
| 14 | WCI G103903 |
| 15 | WCI G183861 |
| 16 | WASHER, NYLON 5/16 X 5/8 (CTR & LOWER HINGE BRACKET) |
| 17 | WCI G142220 |
| 18 | BRACKET, HINGE CENTER |
| 19 | SCREW, BRACKET MOUNTING (4) |
| 20 | PLUG, DECORATIVE |
| 21 | TROUGH-DRAIN |
| 22 | 5303001321 Frigidaire Refrigerator Lower Hinge Pin |
| 23 | BRACKET, HINGE, LOWER |
| 24A | TAPPING, PLATE (2) |
| 25 | SHIM, HINGE |
| 26 | WCI G166912 |
| 27A | NUT, ANCHOR (2) |
| 27 | LEG-LEVELING (2) |
| 28 | CLIP (4) |
| 29 | BASE-CABINET |
| 30 | WCI G174747-09 |
| 31 | WCI G174733 |
| 32 | WCI G174734 |
| 33 | TUBE, INSULATION (2) |
| 34C | PLUG-SHORT TEST HOLE (NON-ILLUSTRATED) |
| 34A | 5304455650 Frigidaire Refrigerator Screw |
| 34B | NUT, ORIFICE (2) |
| 34 | COVER-COIL |
| 35 | WCI G163669 |