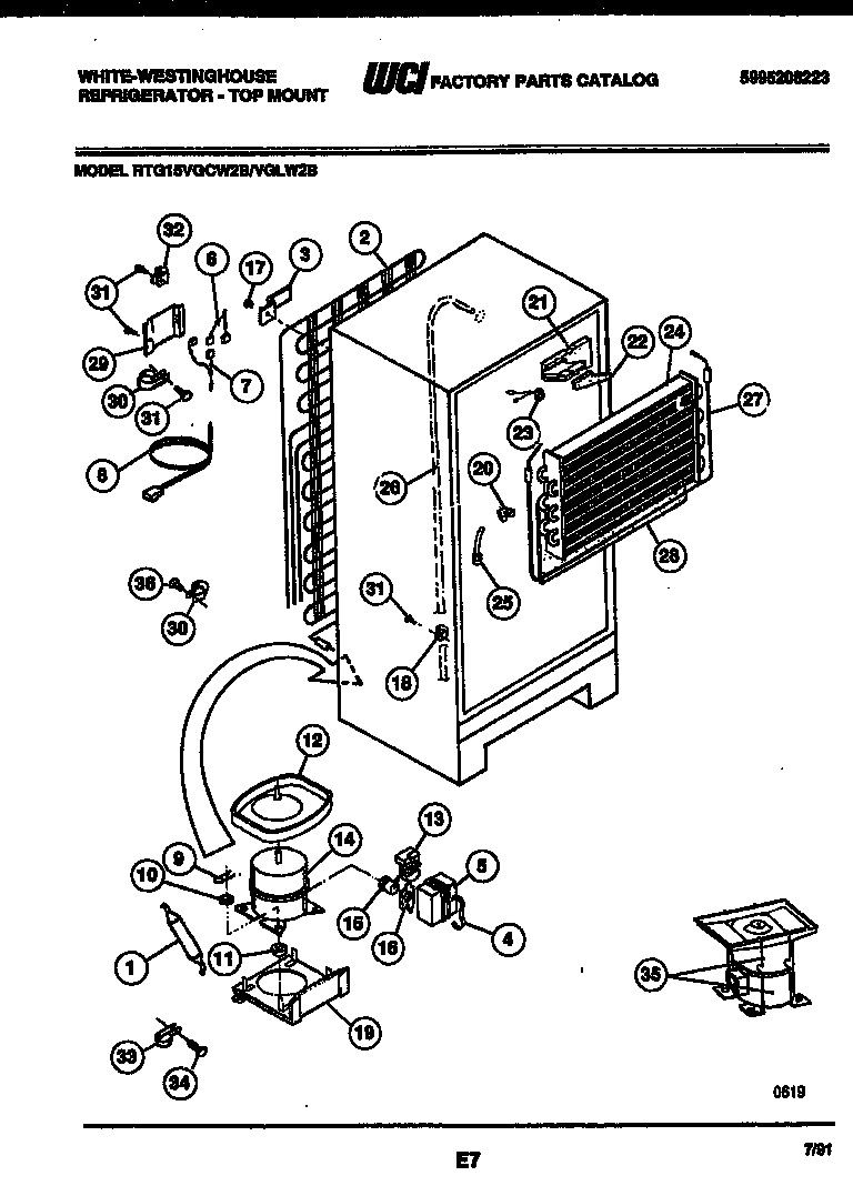
RTG15VGCD2B 05 – SYSTEM AND AUTOMATIC DEFROST PARTS