RTG15VGCV2B 05 – SYSTEM AND AUTOMATIC DEFROST PARTSadmin2025-04-26T10:27:58+00:00RTG15VGCV2B 05 – SYSTEM AND AUTOMATIC DEFROST PARTS
Products
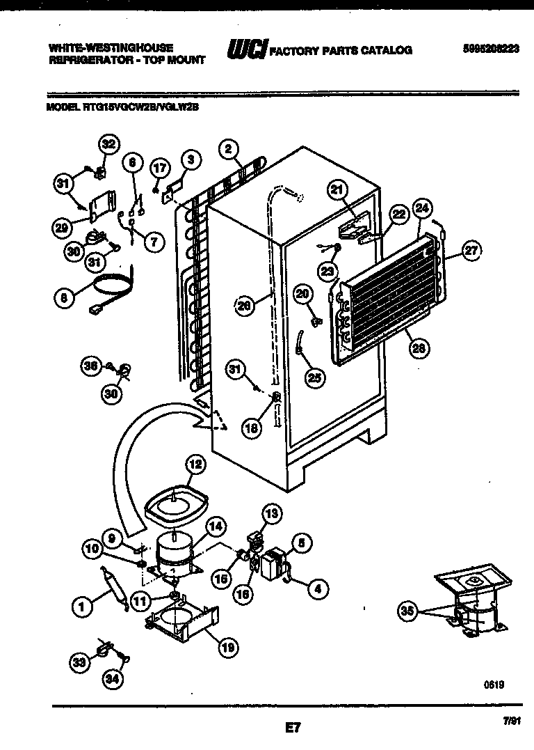
| Position | Product |
|---|
| *48125 | NUT, 8-32 HEX, (2) (NI) |
| *48125 | BRACKET, GROUNDING (NI) |
| *48125 | WCI 5300189378 |
| 1 | 5303305677 Frigidaire Replacement Filter Dryer Filters |
| 2 | WCI 5303015938 |
| 3 | BRACKET-MTG (4) |
| 3A | WASHER, EXT TOOTH LOCK, NO. 10 (NON-ILLUSTRATED) |
| 4 | 5303006412 Frigidaire Refrigerator Cover Mounting Strap |
| 6 | WCI 5303015682 |
| 7 | WCI 5308013114 |
| 8 | CORD-ELECTRIC POWER |
| 9 | CLIP - COMPRESSOR MTG |
| 10 | WASHER-COMPR MTG |
| 11 | 218513300 Frigidaire Refrigerator Compressor Mount Grommet |
| 12A | Nut,lock `1/4-20 ,drain pan mtg |
| 12B | 5303307583 Frigidaire Refrigerator P1 Pad Noise Reduction |
| 12 | PAN-DEFROST DRAIN, ORIG/SVCE COMPR |
| 13 | WCI 5303211376 |
| 14 | WCI 5303916804 |
| 15 | WCI 5303270973 |
| 16 | CLIP-OVERLOAD |
| 17 | 5308000039 Frigidaire Refrigerator Screw |
| 19 | WCI 5308009596 |
| 20 | INSULATION BLOCK, LH |
| 21 | INSULATION BLOCK, RH |
| 22 | INSULATION PLUG, RH |
| 23 | 5303917954 Frigidaire Refrigerator Defrost Limit Thermostat Kit |
| 24 | WCI 5303272044 |
| 25 | 5308000110 Frigidaire Refrigerator Evaporator/Heater Primary Strap |
| 26 | HEAT EXCHANGER, SUCTION LINE |
| 27 | WCI 5316664602 |
| 28 | INSULATOR-EVAP, PLASTIC |
| 29 | WCI 5303001197 |
| 30 | 5303001199 Frigidaire Refrigerator Wiring Harness Clamp |
| 31 | 5304455651 Frigidaire Refrigerator Screw |
| 32 | 5308000133 Frigidaire Refrigerator Clamp |
| 33 | WCI 3201679 |
| 34 | 218843801 Frigidaire Refrigerator Screw |
| 35 | PAN RETAINER KIT, SERVICE |
| 36 | 5304455852 Frigidaire Refrigerator Screw |