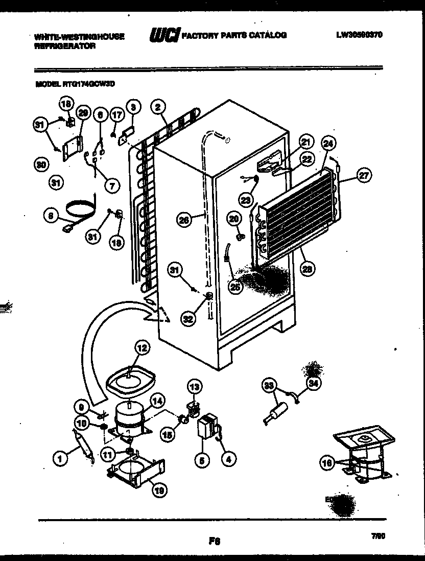
RTG174GCD3D 05 – SYSTEM AND AUTOMATIC DEFROST PARTSadmin2025-04-26T10:30:10+00:00RTG174GCD3D 05 – SYSTEM AND AUTOMATIC DEFROST PARTS ProductsPositionProduct*33005HOT TUBE REPAIR KIT15303305677 Frigidaire Replacement Filter Dryer Filters2WCI G1782253BRACKET-CONDENSER MOUNTING (4)3AWASHER45303006412 Frigidaire Refrigerator Cover Mounting Strap6HARNESS, WIRING7HARNESS-COMPRESSOR8CORD, SERVICE9CLIP, COMPRESSOR MOUNTING (4)10WCI 0800363311218513300 Frigidaire Refrigerator Compressor Mount Grommet12DEFROST PAN & NUT12ANUT, LOCK12B5303307583 Frigidaire Refrigerator P1 Pad Noise Reduction13WCI 300717314COMPRESSOR W/ ELEC15WCI 320609616WCI G167234175308000039 Frigidaire Refrigerator Screw19PLATE20BLOCK, LEFT SIDE21BLOCK, EVAPORATOR, RH22PLUG, EVAPORATOR INSULATION BLOCK, R H235303917954 Frigidaire Refrigerator Defrost Limit Thermostat Kit24EVAPORATOR255308000110 Frigidaire Refrigerator Evaporator/Heater Primary Strap26HEAT-EXCH27WCI 0800975428INSULATOR29WCI G183584305303001199 Frigidaire Refrigerator Wiring Harness Clamp315304455651 Frigidaire Refrigerator Screw32240396801 Frigidaire Refrigerator Tube Clamp33CAPACITOR34STRAP-CAPACITOR