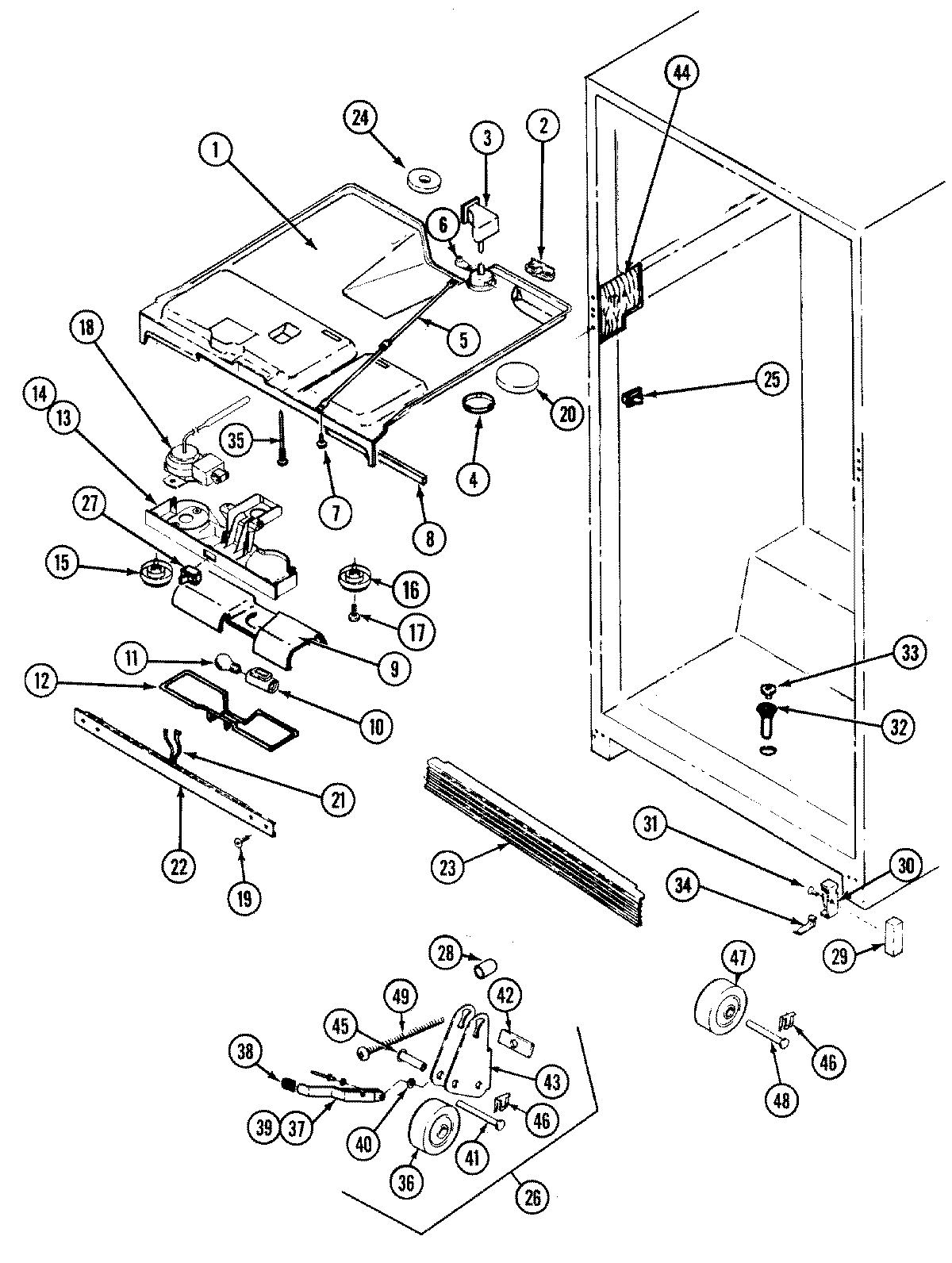
RTP1700CAE 02 – FRESH FOOD COMPARTMENTadmin2025-04-26T08:50:34+00:00RTP1700CAE 02 – FRESH FOOD COMPARTMENT ProductsPositionProduct1MAY 69407-12MAY 69623-13MAY 69811-44MAY 67493-15MAY 69418-16MAY 67636-27MAY 65275-137MAY 420005-18MAY 69413-19MAY 69849-110MAY 69425-111MAY 31956-112MAY 69426-113MAY 69790-115MAY 69417-316MAY 69417-417MAY 65275-3818MAY 68601-418MAY 406013-119MAY 65275-6720MAY 69037-121MAY 69617-122MAY 70118-122MAY 69420-1-WW23MAY 67023-1824MAY 68989-125W11384469 Whirlpool Door Switch26MAY 72319-426MAY 72319-327MAY 67363-228MAY 24580-429MAY 67117-430WP489478 Whirlpool Refrigerator Screw30MAY 67854-330MAY 67854-431MAY 414013-132MAY 54531-733MAY 65039-134MAY 67259-135MAY 65275-7836MAY 69812-237MAY 67681-237MAY 67681-138MAY 67528-139MAY 406046-140MAY 420007-40041MAY 64965-142MAY 59101-143MAY 67530-144MAY 69416-244MAY 69416-146MAY 60216-147MAY 69812-148MAY 29835-24971003131 Whirlpool Oven Screw