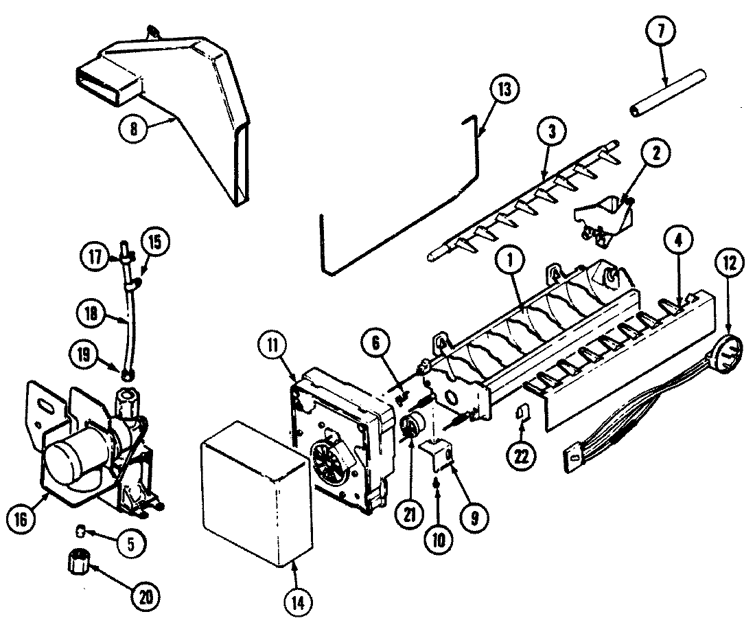
RTP1700CAL 05 – OPTIONAL ICE MAKER KIT (RAE3100AAX)admin2025-04-26T08:50:26+00:00RTP1700CAL 05 – OPTIONAL ICE MAKER KIT (RAE3100AAX) ProductsPositionProduct1WP99003172 Whirlpool Silicone L1D7824706Q Whirlpool Refrigerator Ice Maker Assembly2WP628356 Whirlpool Refrigerator Fill Cup3WP627843 Whirlpool Refrigerator Ejector Arm4WP2182124 Whirlpool Refrigerator Stripper Arm5WP487627 Whirlpool Refrigerator Sleeve6WP2315522 Whirlpool Refrigerator Clip7MAY 67666-38MAY 67061-28MAY 67061-18MAY 67061-39BRACKET, MODULE & HEATER10MAY 95108-111MAY 400021-111MAY 95109-112MAY 67672-113MAY 68112-114MAY 68328-215MAY 23197-815SCREW16MAY 401017-116MAY 69364-117WPM0114003 Whirlpool Microwave Speed Clip Clamp18MAY 67579-619MAY 55419-120WP245183 Whirlpool Nut21MAY 95093-121WP627985 Whirlpool Icemaker Cycling Thermostat22MAY 68118-1