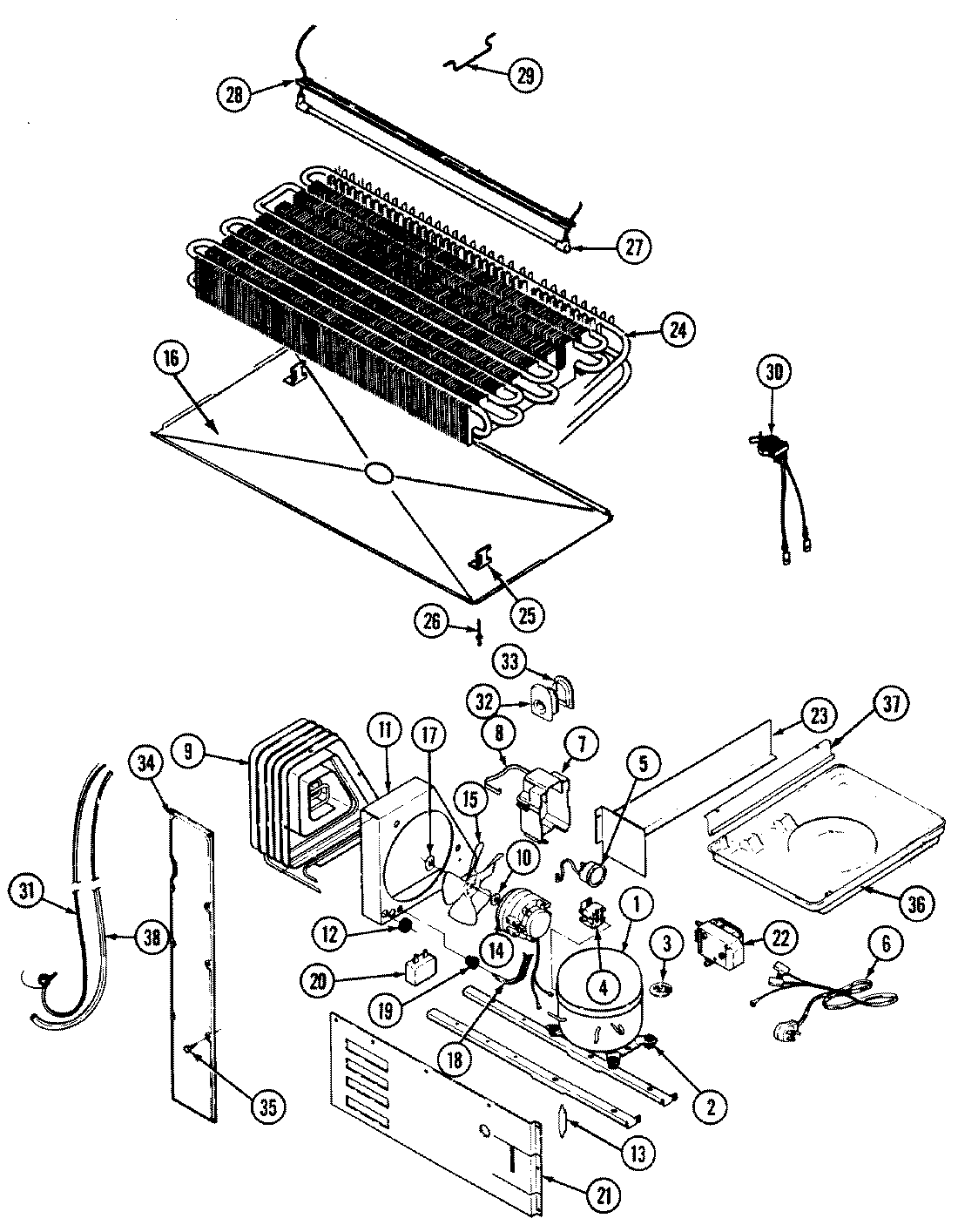
RTS1700CAL 07 – UNIT COMPARTMENT & SYSTEMadmin2025-04-26T08:50:24+00:00RTS1700CAL 07 – UNIT COMPARTMENT & SYSTEM ProductsPositionProduct1MAY RA1011-12MAY 17245-43MAY 62165-142154436 Whirlpool Refrigerator Start Relay5MAY 69105-106MAY 52890-37MAY 66589-28MAY 65886-19MAY 60408-29MAY 60434-39MAY 414001-110MAY 19913-411MAY 66228-112MAY 53351-113MAY 1390014MAY 65275-3314MAY 67560-715WP12587601 Whirlpool Refrigerator Condenser Blade16MAY 69118-117MAY 19914-018MAY 69181-119MAY 56933-120WP2262343 Whirlpool Refrigerator/Freezer Capacitor21WP488729 Whirlpool Refrigerator Door Screw21MAY 69138-122MAY 69543-222MAY 405007-123MAY 66493-124MAY 69822-125MAY 60108-226MAY 26397-927WP60106-34 Whirlpool Refrigerator Heater28MAY 60109-429MAY 68935-130WP52085-28 Whirlpool Thermostat31MAY 65013-431MAY 66223-132MAY 60068-133MAY 60069-134MAY 60110-234MAY 70162-137MAY 60555-137WP489478 Whirlpool Refrigerator Screw37MAY 60555-238MAY 65398-138MAY 1600032738MAY 108367-1