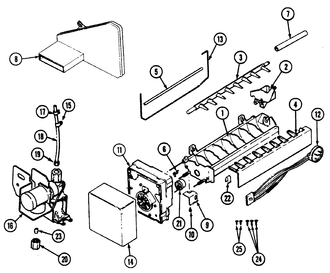
RTS1900CAE 04 – OPTIONAL ICE MAKER KIT (RAE3100AAX)