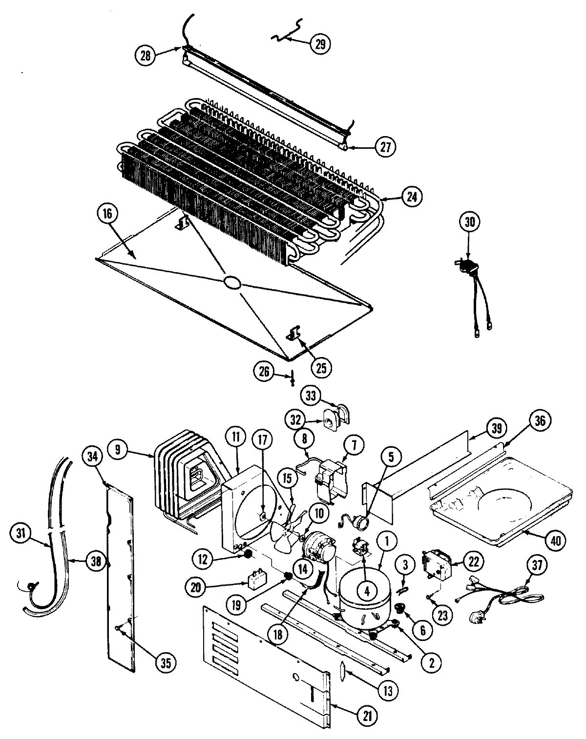
RTS1900DAM 07 – UNIT COMPARTMENT & SYSTEMadmin2025-04-26T08:49:55+00:00RTS1900DAM 07 – UNIT COMPARTMENT & SYSTEM ProductsPositionProductNIMAY 16000327NIMAY 109517-11MAY RA10321MAY RA1011-12MAY 17245-43MAY 62165-13MAY 52778-242154436 Whirlpool Refrigerator Start Relay4WP10097202 Whirlpool Refrigerator Start Device5MAY 69105-1054388953 Whirlpool Overload Relay6MAY 52656-27MAY 66589-27MAY 69754-18MAY 59596-18MAY 65886-19MAY 60408-29MAY 414001-19MAY 60434-310MAY 69063-111MAY 66228-112MAY 53351-113MAY 1390014MAY 68445-114MAY 6100101614MAY 65275-3315WP12587601 Whirlpool Refrigerator Condenser Blade16MAY 69118-217MAY 19914-018MAY 69181-119MAY 56933-120WP65889-4 Whirlpool Refrigerator Capacitor20WP2262343 Whirlpool Refrigerator/Freezer Capacitor21MAY 69138-221WP488729 Whirlpool Refrigerator Door Screw22WP68233-2 Whirlpool Refrigerator Defrost Timer23MAY 405007-124MAY 69822-725MAY 60108-226MAY 26397-927WP60106-35 Whirlpool Defrost Heater Assembly28MAY 60109-529MAY 68935-130MAY 52085-3331MAY 65013-431MAY 66223-131MAY 65013-2632MAY 60068-133MAY 60069-134MAY 60177-434MAY 70162-134MAY 6100156034MAY 60110-235MAY 65275-5036MAY 60555-236MAY 60555-137MAY 52890-338MAY 68186-139WP489478 Whirlpool Refrigerator Screw39MAY 66493-1