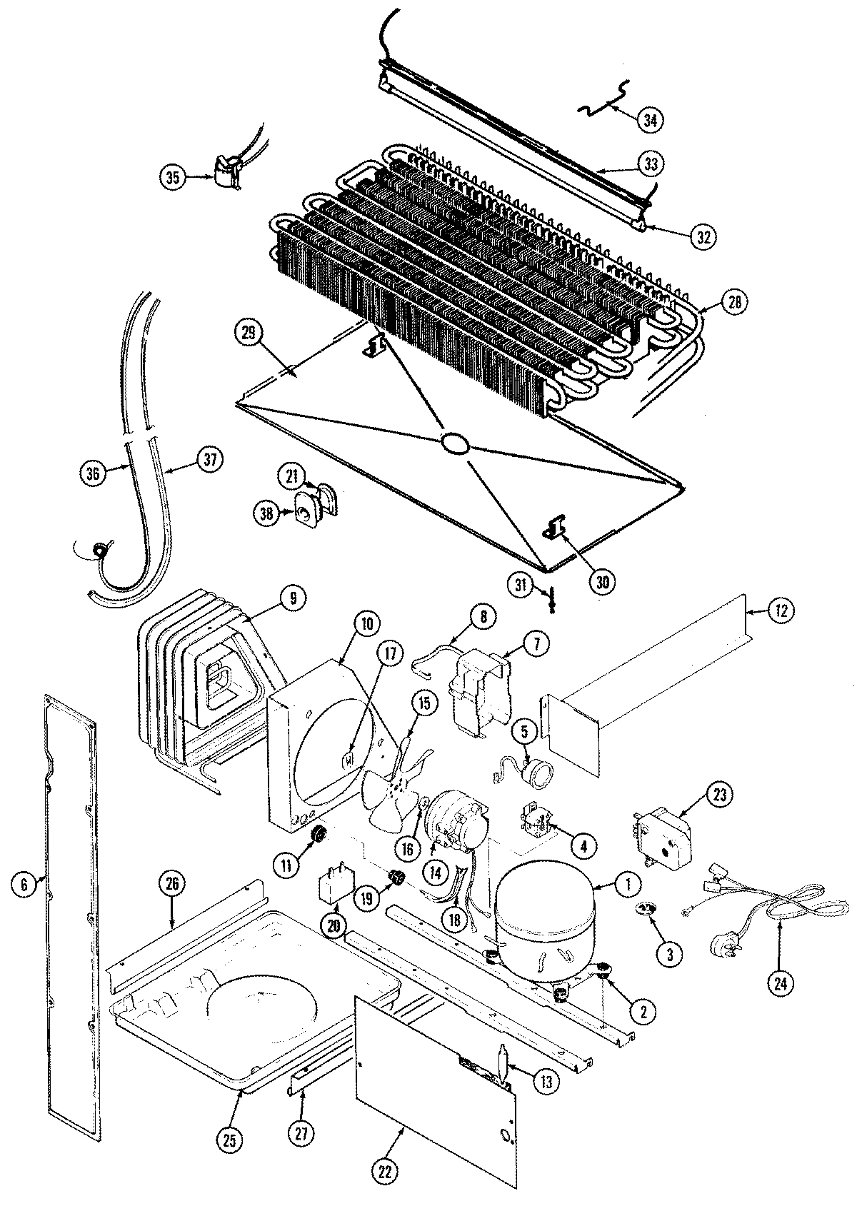
RTSA154AAE 05 – UNIT COMPARTMENT & SYSTEMadmin2025-04-26T08:49:57+00:00RTSA154AAE 05 – UNIT COMPARTMENT & SYSTEM ProductsPositionProductNIMAY 108340-31MAY RA10321MAY RA1011-12MAY 17245-43MAY 414011-13MAY 62165-13MAY 6100297042154436 Whirlpool Refrigerator Start Relay4MAY 610029714MAY 6100180052176790 Whirlpool Refrigerator Overload5MAY 69105-1054388953 Whirlpool Overload Relay6MAY 65275-506MAY 60110-17MAY 610020207MAY 69754-17MAY 66589-28MAY 65886-18MAY 610026208MAY 59596-19MAY 60408-29MAY 60434-310MAY 66228-111MAY 53351-112MAY 66493-113MAY 1390014MAY 6100156214MAY 408015-114MAY 68445-315WP12587601 Whirlpool Refrigerator Condenser Blade16MAY 69063-117MAY 19914-018MAY 69181-119MAY 56933-120WP2262343 Whirlpool Refrigerator/Freezer Capacitor21MAY 60069-121MAY 60177-421MAY 70162-121MAY 6100156022WP488729 Whirlpool Refrigerator Door Screw22MAY 66338-323MAY 405007-123MAY 68233-124MAY 52890-226MAY 60555-127WP489478 Whirlpool Refrigerator Screw27MAY 60555-228MAY 69822-129MAY 69118-130MAY 60108-231MAY 26397-932WP60106-34 Whirlpool Refrigerator Heater33MAY 60109-434MAY 68935-135WP52085-28 Whirlpool Thermostat36MAY 66223-136MAY 65013-437MAY 65398-138MAY 60068-1