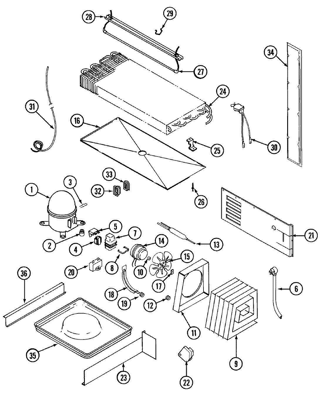
RTW2200DAE 11 – UNIT COMPARTMENT & SYSTEMadmin2025-04-26T08:49:57+00:00RTW2200DAE 11 – UNIT COMPARTMENT & SYSTEM ProductsPositionProductNIMAY 16000327NIMAY 610011021MAY RA10321MAY 52656-22MAY 17245-43MAY 52778-24WP10097202 Whirlpool Refrigerator Start Device54388953 Whirlpool Overload Relay6MAY 52890-37MAY 69754-18MAY 59596-19MAY 60408-29MAY 60434-39MAY 414001-110MAY 6100168611MAY 6100120512MAY 53351-113WPW10143759 Whirlpool Dryer Filter14MAY 6100156214MAY 65275-3315WP12587601 Whirlpool Refrigerator Condenser Blade16MAY 6100166817WP486692 Whirlpool Refrigerator Nut18MAY 69181-119MAY 56933-120WP65889-4 Whirlpool Refrigerator Capacitor21MAY 6100109021MAY 65275-522MAY 405007-122WP68233-2 Whirlpool Refrigerator Defrost Timer23MAY 66493-124MAY 69822-825MAY 60108-226MAY 26397-927MAY 60106-3628MAY 60109-629MAY 68935-130WP52085-28 Whirlpool Thermostat31MAY 6100104231MAY 65013-2231MAY 66223-132MAY 60068-133MAY 60069-134MAY 60110-234MAY 6100156534MAY 60177-434MAY 65275-5036MAY 60555-236WP489478 Whirlpool Refrigerator Screw36MAY 60555-1