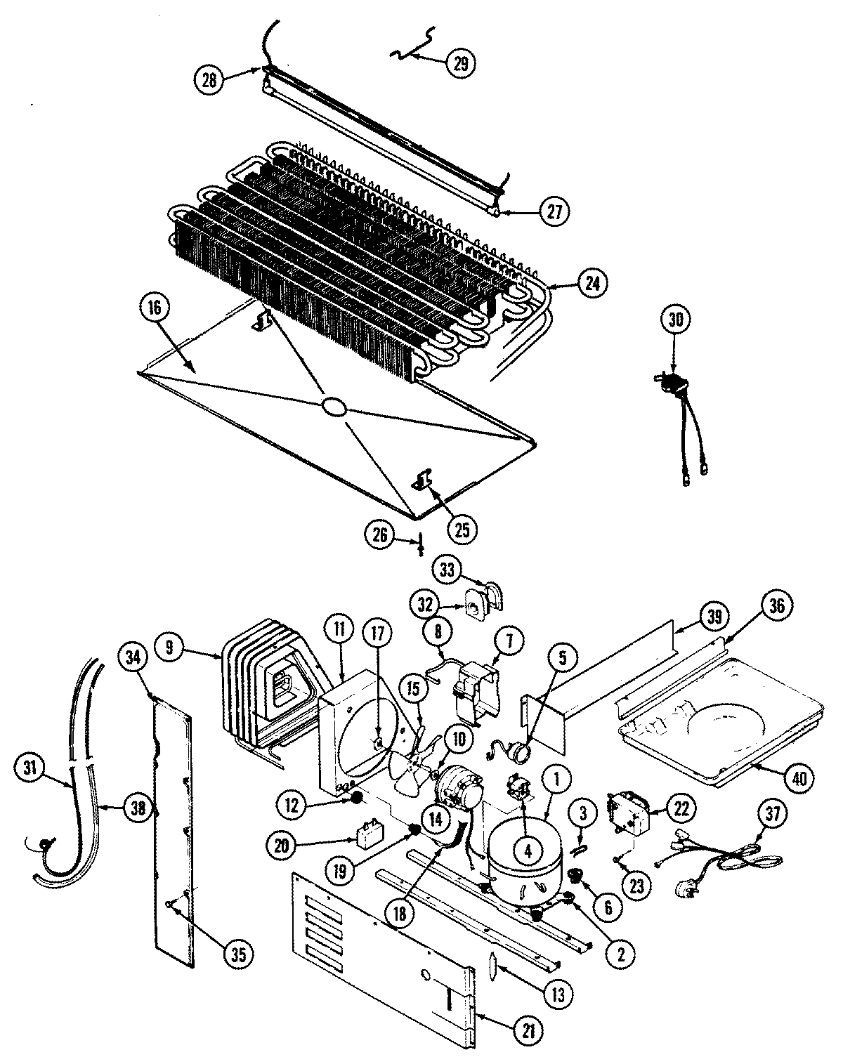
RTW22E1DAE 08 – UNIT COMPARTMENT & SYSTEMadmin2025-04-26T08:50:57+00:00RTW22E1DAE 08 – UNIT COMPARTMENT & SYSTEM ProductsPositionProductNIMAY 61001102NIMAY 160003271MAY 120000542MAY 17245-43MAY 52778-242154436 Whirlpool Refrigerator Start Relay5MAY 69105-76MAY 52656-27MAY 66589-28MAY 65886-19MAY 60434-39MAY 60408-29MAY 414001-110MAY 69063-111MAY 66228-112MAY 53351-113MAY 1390014MAY 6100156214MAY 68445-314MAY 65275-3315WP12587601 Whirlpool Refrigerator Condenser Blade16MAY 69118-317WP486692 Whirlpool Refrigerator Nut18MAY 69181-119MAY 56933-120WPW10662129 Whirlpool Refrigerator Run Capacitor21WP488729 Whirlpool Refrigerator Door Screw21MAY 69138-322WP68233-2 Whirlpool Refrigerator Defrost Timer23MAY 405007-124MAY 69822-825MAY 60108-226MAY 26397-927MAY 60106-3628MAY 60109-629MAY 68935-130MAY 52085-3331MAY 65013-2632MAY 60068-133MAY 60069-134MAY 6100156534MAY 70165-134MAY 60110-234MAY 60177-435MAY 65275-5036MAY 60555-236MAY 60555-137MAY 52890-338MAY 6100104239WP489478 Whirlpool Refrigerator Screw39MAY 66493-1