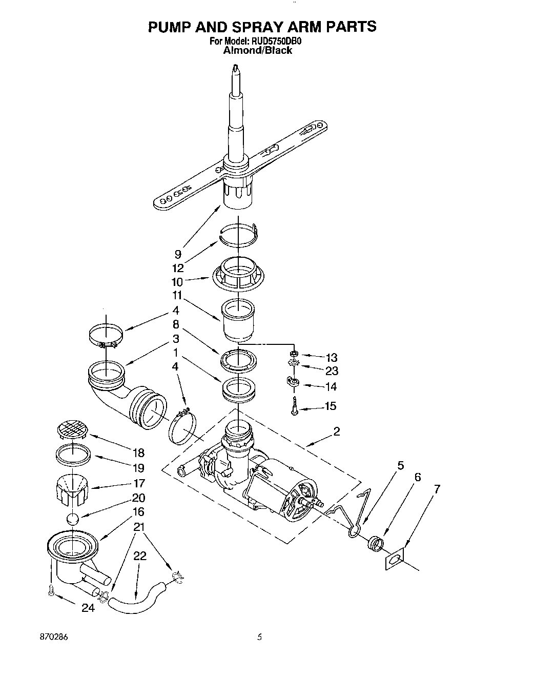
RUD5750DB0 04 – PUMP AND SPRAY ARMadmin2025-04-26T12:50:28+00:00RUD5750DB0 04 – PUMP AND SPRAY ARM
Products
| Position | Product |
|---|
| 1 | Grommet, Pump Seal |
| 2 | PUMP & MOTOR ASSEMBLY FOR BREAKDOWN OF PUMP PARTS, REFER TO PUMP AND MOTOR PARTS PAGE |
| 3 | W11189178 Whirlpool Dishwasher Hose |
| 4 | Clamp (2) |
| 5 | Support, Motor |
| 6 | Grommet, Motor Support |
| 7 | Push-Nut, Motor Support |
| 8 | Washer, Grommet |
| 9 | Spray Arm, Assembly Lower |
| 10 | Nut, Pump Outlet |
| 12 | WP3369045 Whirlpool Dishwasher Seal |
| 13 | Washer |
| 14 | 3371746 Whirlpool Dishwasher Bearing |
| 15 | WP3371745 Whirlpool Dishwasher Support |
| 16 | Collector |
| 17 | WP3369176 Whirlpool Dishwasher Pump Housing |
| 18 | Grate, Funnel |
| 19 | WP3369177 Whirlpool Dishwasher Seal |
| 20 | WP3369178 Whirlpool Dishwasher Check Ball |
| 21 | CLAMP, HOSE |
| 22 | Hose, Collector |
| 23 | Washer, Curved |
| 24 | Screw 10-16, Hi-Lo (4) |