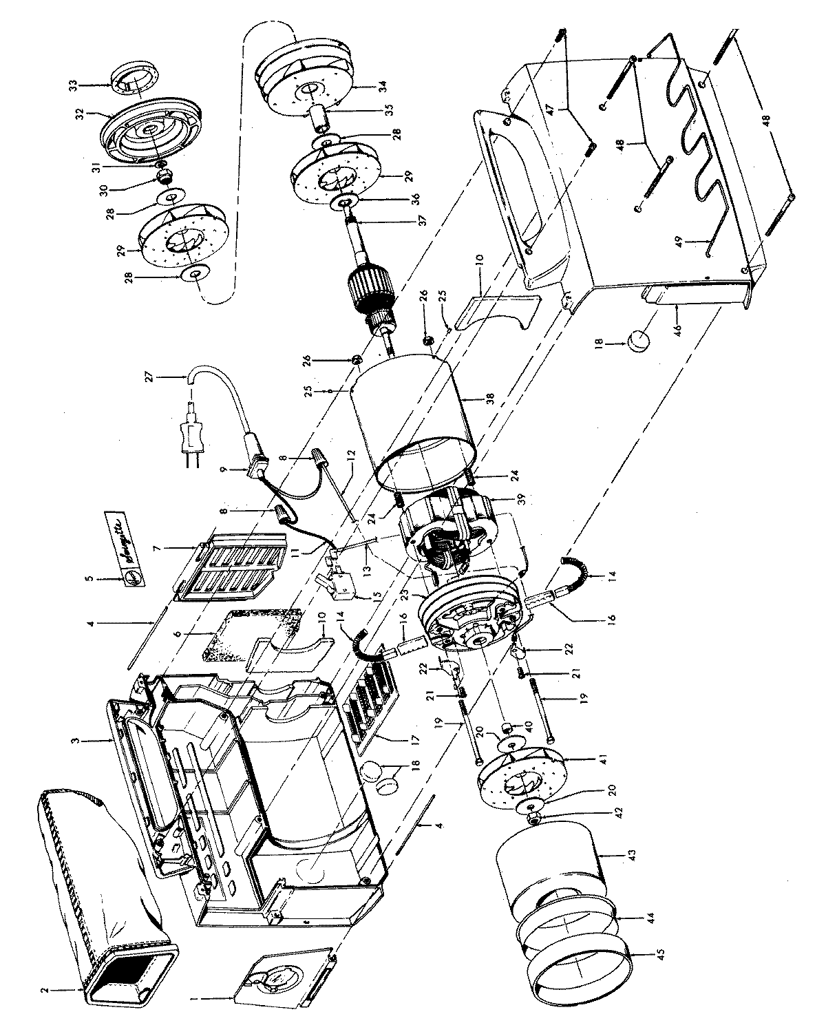
S1015033 02 – MAINHOUSING, MOTOR ASSEMBLYadmin2025-04-26T08:50:39+00:00S1015033 02 – MAINHOUSING, MOTOR ASSEMBLY ProductsPositionProduct1MAY 422270392MAY 436620233MAY 166982DM3MAY 422220303MAY 422220283MAY 162064LL4MAY 162062AY5MAY 162483--6MAY 343660017MAY 162059JX7MAY 162059DR7MAY 162059AG8MAY 048969--9MAY 3621501510MAY 162066--11MAY 012062--12MAY 162075--13MAY 162074--14MAY 012031--15MAY 012971--16MAY 012029--17MAY 162083JM18MAY 163434--19MAY 012022--20MAY 2131270121MAY 2144702822MAY 012033--23MAY 012059--24MAY 012854--25MAY 012007--26MAY 2165103727MAY 4636327128MAY 2131270029MAY 4356600330MAY 012000--31NOT REQUIRED PART OR SEE NOTE FUSE (NOT REQUIRED)32MAY 012038--33MAY 012089--34MAY 018656--35MAY 170055--36MAY 012003--37MAY 167673--38MAY 012050--39MAY 167677--40MAY 012013--41MAY 4356600542MAY 012028--43MAY 163426--44MAY 163546--45MAY 161957--46MAY 162065LL46MAY 3722305746MAY 162065DM47MAY 2144704348MAY 2147957349MAY 162060AW50MAY 2748222750MAY 4324700650MAY 160017--50MAY 5651206550MAY 160356--50MAY 169242--50MAY 160532--50MAY 161350--50MAY 43248010