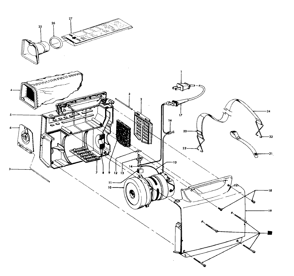
S1049— 02 – MAINHOUSING