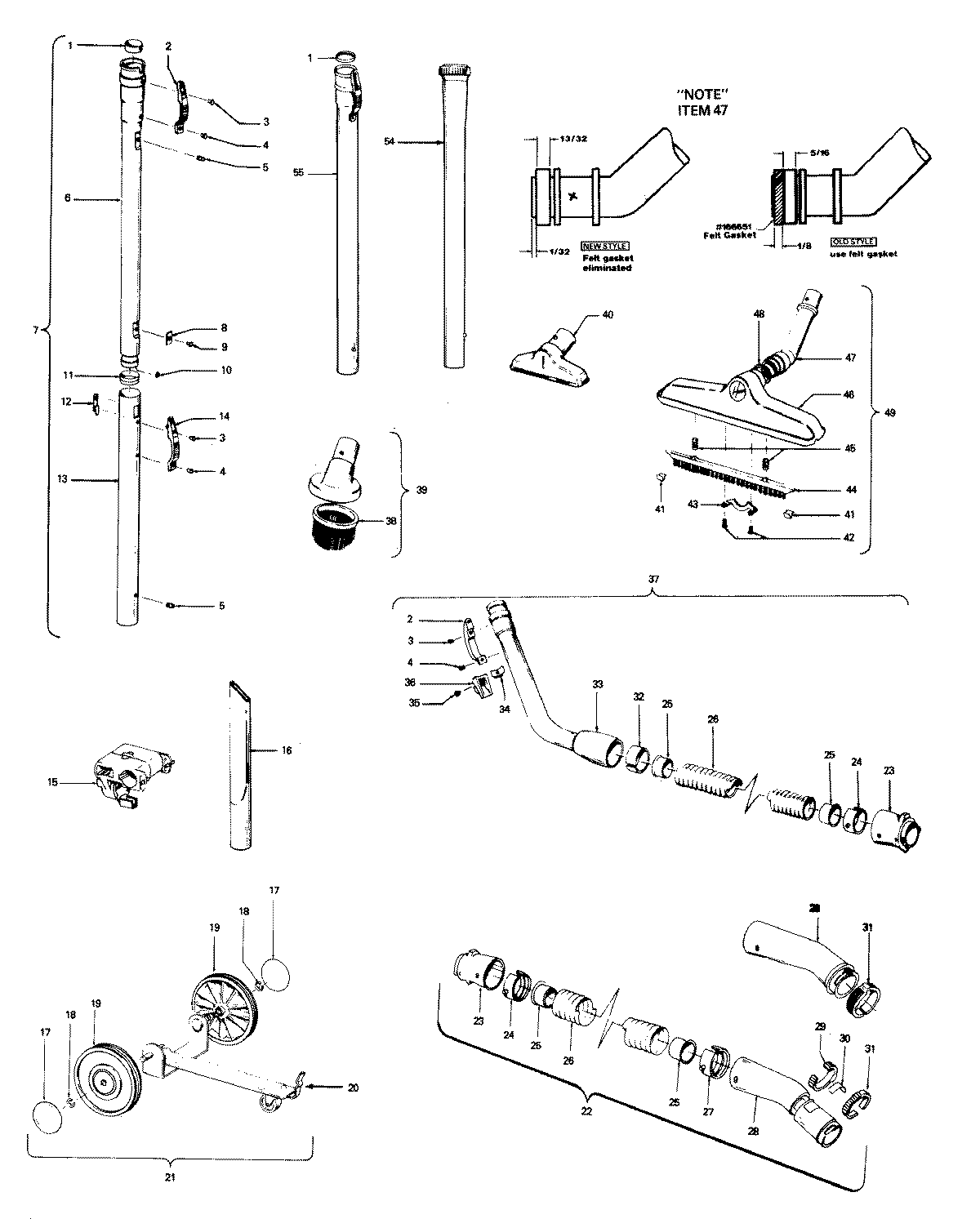
S1049-22 01 – HOSE, CLEANINGTOOLSadmin2025-04-26T08:50:32+00:00S1049-22 01 – HOSE, CLEANINGTOOLS ProductsPositionProduct1MAY 387840872MAY 012846AG3MAY 012772--4MAY 012783--5MAY 12763AW-6MAY 012598--7MAY 434580018MAY 012824--9MAY 012600--10MAY 2131270411MAY 012844JM12MAY 012589--13MAY 012597--14MAY 3615201815MAY 3643304216MAY 3861701717MAY 169242--18MAY 160017--19MAY 4324700620MAY 4324800521MAY 4324801121MAY 4324801022MAY 4343422323MAY 3865600723MAY 012593JM24MAY 012615BZ24MAY 3867101125MAY 3215601026MAY 3867100126MAY 4343421327MAY 3611600627MAY 3617102529MAY 3871101430MAY 5186900631MAY 3615300932MAY 012704BZ33MAY 4346606834MAY 013257BZ35MAY 013275--36MAY 13142AG-38MAY 013263BZ39MAY 4341406440MAY 4341405740MAY 3861402441MAY 166646--42MAY 166648AW43MAY 166650AY44MAY 166656--45MAY 166649FW46MAY 4341408946MAY 166763DM47MAY 166652JM48MAY 166651--49MAY 0M11416954MAY 3863801P55MAY 4345302756MAY 170110--56MAY 633217-A56MAY 4341401656MAY 5854400456MAY 161852JM