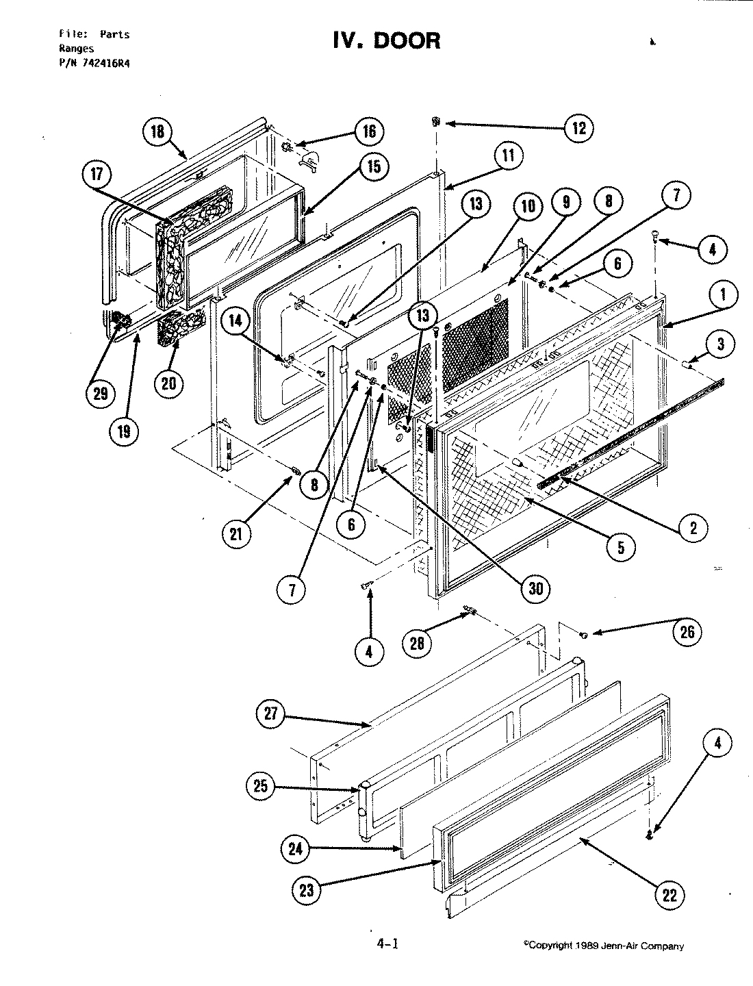
S105 06 – DOOR