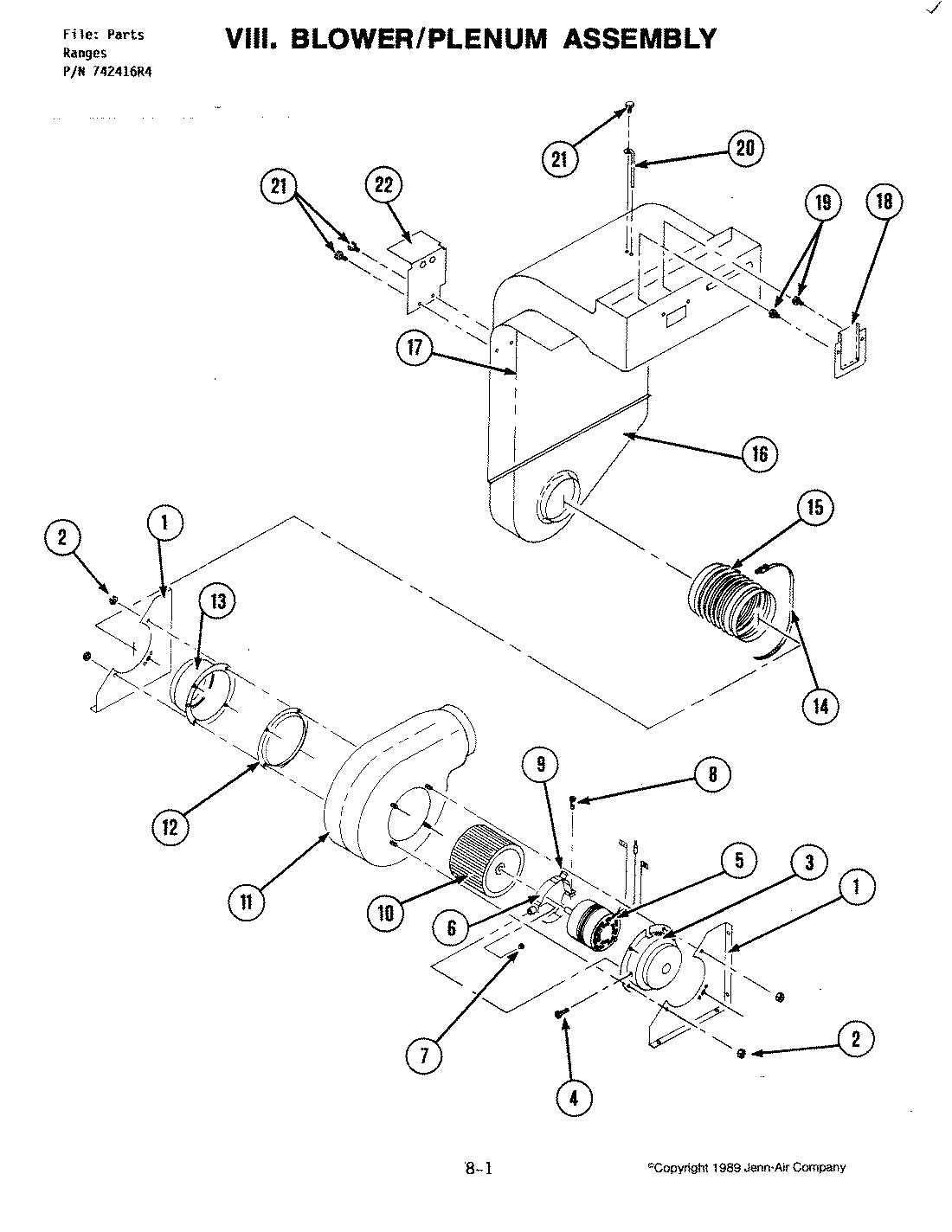
S105-C 02 – BLOWER ASSEMBLY/PLENUM (S105-C)admin2025-04-26T08:50:26+00:00S105-C 02 – BLOWER ASSEMBLY/PLENUM (S105-C) ProductsPositionProduct1WP3801F631-51 Whirlpool Mounting Bracket2WPY707702 Whirlpool Locknut3MAY Y7027345MAY Y7159575MAY 7026506MAY Y7073938MAY Y7074028MAY 7071619MAY Y70892610WPY707985 Whirlpool Wheel Assembly11MAY 71200812MAY Y70229513MAY Y70229614MAY Y70233115MAY Y70232616MAY 71200717MAY 71202519MAY Y70734720MAY Y70265621WP90767 Whirlpool Screw22MAY 70218322MAY Y70269622MAY Y70273322MAY Y71529022MAY 702735