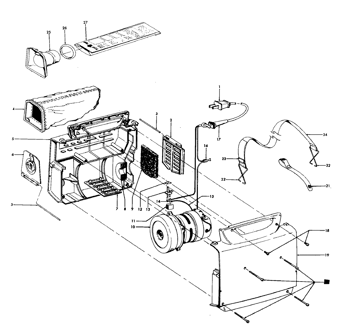
S1079— 02 – MAINHOUSINGadmin2025-04-26T08:50:42+00:00S1079— 02 – MAINHOUSING ProductsPositionProduct1MAY 463632712MAY 387680212MAY 162059LB2MAY 162059JX2MAY 162059JR2MAY 162059AG2MAY 162059-M3MAY 162062AY4MAY 436620235MAY 372230675MAY 372231035MAY 372231525MAY 422220525MAY 372230225MAY 372230056MAY 162229JX6MAY 422270156MAY 422270396MAY 162229-M7MAY 162083JM8MAY 337120059MAY 3436600110MAY 4317706911MAY 3792200212MAY 3842101213MAY 2817700614MAY 2766670215MAY 4621600216MAY 012227--17MAY 3621501518MAY 2144704319MAY 3722306119MAY 3722318919MAY 3722314320MAY 2147957321MAY 4861501222MAY 015670--22MAY 3315300223MAY 015668--24MAY 4861500124MAY 4861502225MAY 3866301026MAY 046550AG27MAY 4010038N27MAY 4324801028MAY 5651206528MAY 5651210728MAY 5651213428MAY 5651213528MAY 58282006