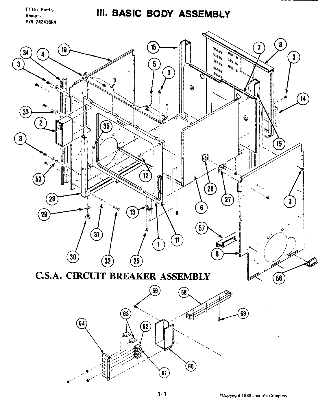
S120-C 01 – BASIC BODY ASSEMBLY (S120-C)admin2025-04-26T08:50:22+00:00S120-C 01 – BASIC BODY ASSEMBLY (S120-C) ProductsPositionProduct1MAY 7023292MAY Y7120014MAY 7120025MAY 7016786MAY Y7023197MAY 7036197MAY Y7023067MAY 7027168MAY 7023079MAY 70230010MAY Y70230111MAY Y70341911MAY Y70348712MAY 70166613MAY 70265814MAY 70233315MAY 70230216MAY 70255617MAY 70255718MAY 70289819MAY Y70228421MAY 70716122MAY 70152624MAY Y71200426MAY 70435526MAY 70169826MAY 70433527MAY 70272927MAY 70433728MAY 71200029MAY 70090330MAY Y70869631MAY 70274532MAY 71579033MAY 70246234MAY 70233735MAY 70876336MAY 70269737MAY 70231838WP12990527 Whirlpool Microwave Screw39MAY Y70162340MAY Y70275041NOT REQUIRED PART OR SEE NOTE FUSE (NOT REQUIRED)42MAY 70274643MAY Y70168644MAY 70167045MAY 70167146MAY Y70229948MAY Y70235049MAY Y70252650MAY Y70235951MAY Y70254852MAY 70238053MAY 71200554MAY Y70260754MAY 70233655MAY Y70335756MAY Y70247657MAY 70274357MAY 70275157MAY 70383857MAY 70229858MAY 70349259WP90767 Whirlpool Screw60MAY 70252361MAY Y71544362MAY 70177463MAY 70383463MAY Y70261364MAY 702524