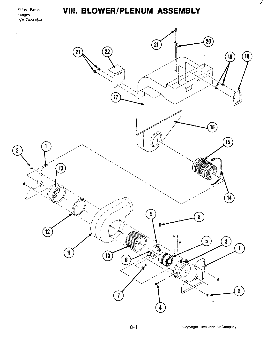
S125 01 – BLOWER ASSEMBLYadmin2025-04-26T08:50:23+00:00S125 01 – BLOWER ASSEMBLY ProductsPositionProduct1WP3801F631-51 Whirlpool Mounting Bracket2WPY707702 Whirlpool Locknut3MAY Y7027345MAY Y7159575MAY 7026506MAY Y7073938MAY Y7074028MAY 7071619MAY Y70892610WPY707985 Whirlpool Wheel Assembly11MAY 71200812MAY Y70229513MAY Y70229614MAY Y70233115MAY Y70232616MAY 71200717MAY 71202518MAY Y70247519MAY Y70734720MAY Y70265621WP90767 Whirlpool Screw22MAY 70273522MAY Y70269622MAY Y70273322MAY Y71529022MAY 702183