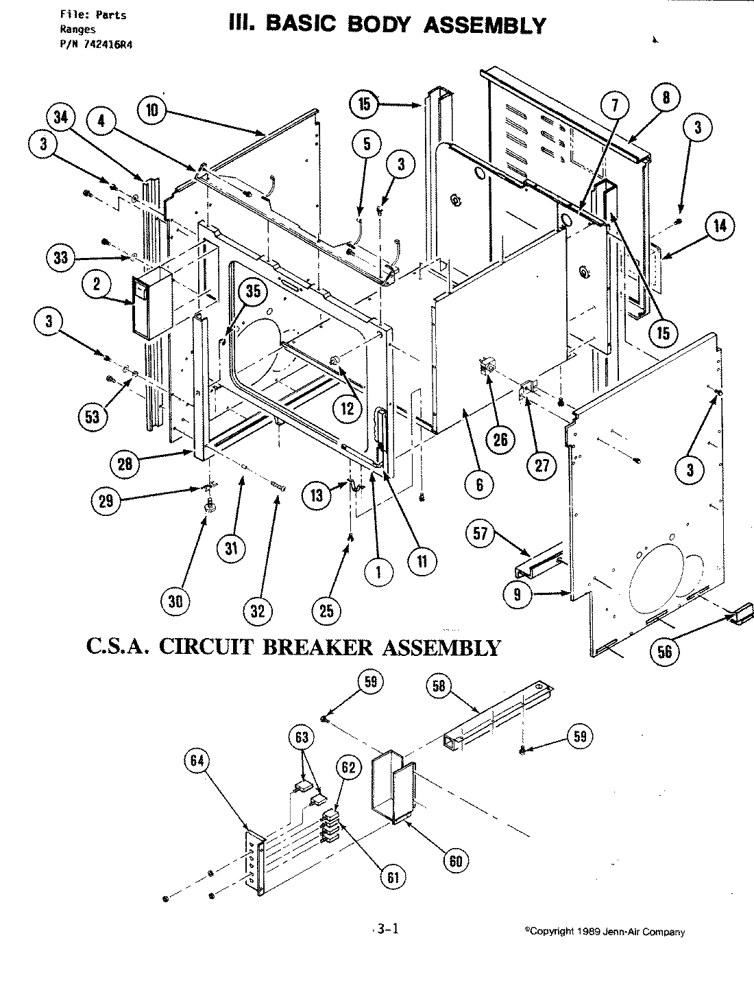
S125-C 01 – BASIC BODY (S125-C)admin2025-04-26T08:50:49+00:00S125-C 01 – BASIC BODY (S125-C) ProductsPositionProduct1MAY 7023292MAY Y7120014MAY 7120025MAY 7016786MAY Y7023197MAY 7027167MAY 7036197MAY Y7023068MAY 7023079MAY 70230010MAY Y70230111MAY Y70341911MAY Y70348711MAY 70211212MAY 70166613MAY 70265814MAY 70233315MAY 70230216MAY 70255617MAY 70255718MAY 70289819MAY Y70228420MAY Y70271120MAY 71544521MAY 70716122MAY 70152626MAY 70169827MAY 70272928MAY 71200028NOT REQUIRED PART OR SEE NOTE FUSE (NOT REQUIRED)29MAY 70090330MAY Y70869631MAY 70274532MAY 71579033MAY 70246234MAY 70233735MAY 70876336MAY 70269737MAY 70231838WP12990527 Whirlpool Microwave Screw39MAY Y70162340MAY Y70275041MAY Y70711342MAY 70274643MAY Y70168643MAY Y70252644MAY 70167045MAY 70167146MAY Y70229948MAY Y70235049MAY Y70236050MAY Y70235951MAY Y70254852MAY 70238053MAY 71200554MAY 70233654MAY Y70260755MAY Y70233256MAY Y70247657MAY 70275157MAY 70254157MAY 71200657MAY 70274358MAY 70252160MAY 70252361MAY Y71544362MAY 70177463MAY 70261263MAY Y70261364MAY 70252464WP90767 Whirlpool Screw