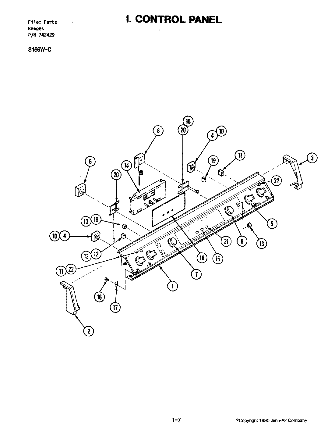
S156W-C 06 – CONTROL PANELadmin2025-04-26T08:50:47+00:00S156W-C 06 – CONTROL PANEL ProductsPositionProduct1MAY 7044762MAY 7023883MAY Y7023874SWITCH-INF5MAY 7044816MAY Y7036737MAY 7044838MAY Y7036749MAY Y70448210MAY Y70212411MAY Y70261412MAY Y70448413MAY Y70422214MAY Y0410013314MAY Y70370815MAY 70167815MAY Y70448516MAY Y70297617MAY 70261618MAY 70460819MAY Y70502420MAY 70383220MAY 70324320MAY 70352320MAY 70424420MAY 70383320MAY 70366720MAY 70374920MAY 70375220MAY 704331