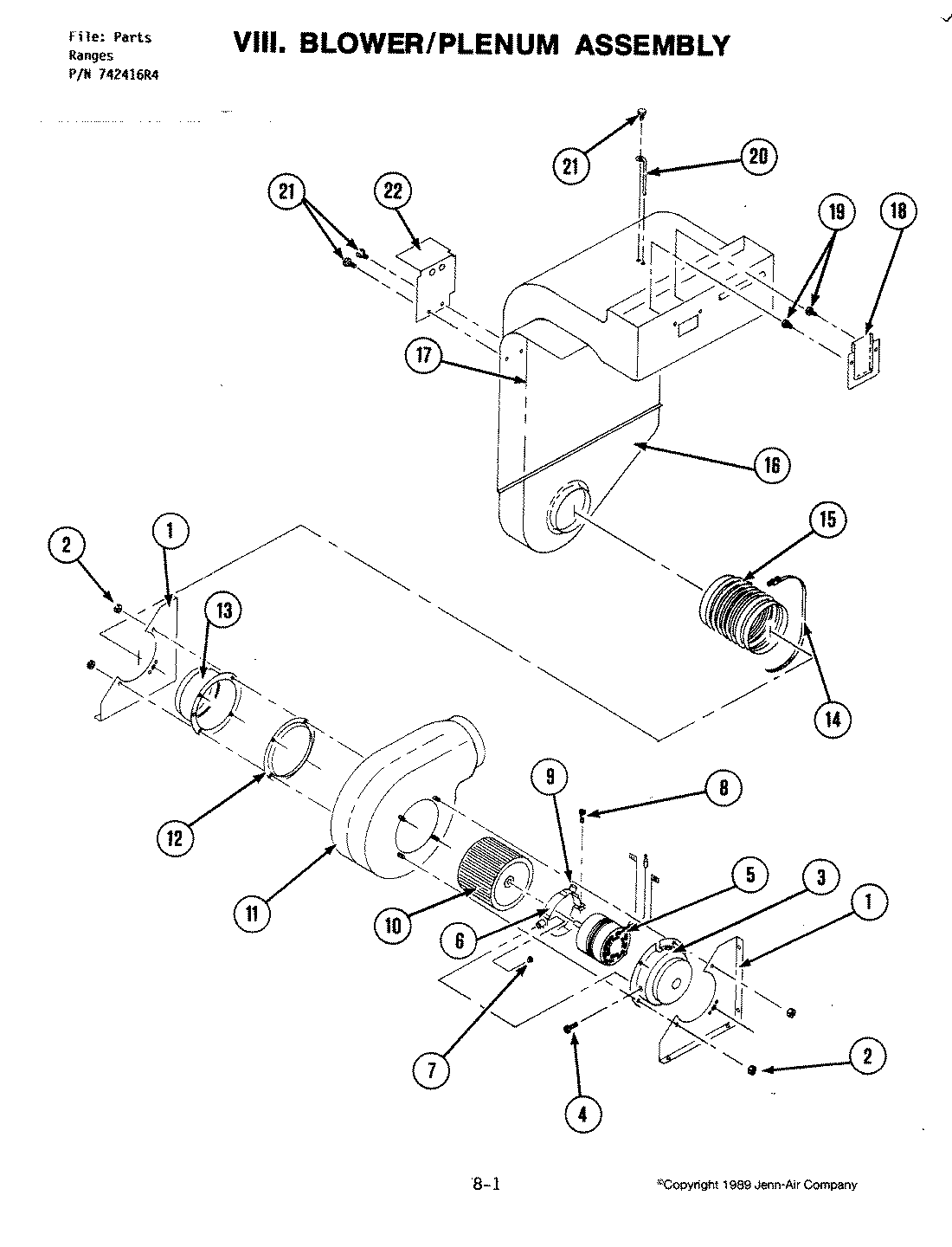
S160 04 – CONVECTION FANadmin2025-04-26T08:50:59+00:00S160 04 – CONVECTION FAN ProductsPositionProduct9MAY Y7037419MAY 70259210MAY 70170711WP488234 Whirlpool Air Conditioner Screw12MAY 70170913MAY 71591014MAY 70171115MAY 70171216MAY 70171317MAY Y70060118MAY Y71556319MAY Y70303520WP12990527 Whirlpool Microwave Screw