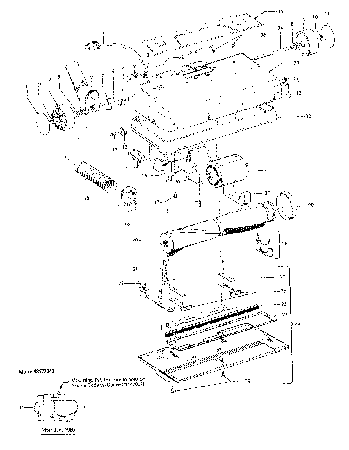
S2043— 03 – POWEREDNOZZLEadmin2025-04-26T08:50:59+00:00S2043— 03 – POWEREDNOZZLE ProductsPositionProduct1MAY 463210682MAY 163768--3MAY 384260724MAY 346640075MAY 214350026MAY 385620097MAY 434680588MAY 311550059MAY 3852200110MAY 013730--11MAY 169242--12MAY 2125602513MAY 3276100114MAY 012227--15MAY 3794301016MAY 3541200317MAY 2142940418MAY 4343119619MAY 3863801320MAY 4841600421MAY 5115103122MAY 3842608023MAY 4224600324MAY 3412300125MAY 4844300126MAY 3695200827MAY 3465400328MAY 4354800129MAY 3852801130MAY 3878100330MAY 3428400131MAY 2721201132MAY 3623500233MAY 4224104134MAY 3254300235MAY 5137501436MAY 2144700736MAY 2143422437MAY 5163800738MAY 3938201339MAY 4843808439MAY 13261AY-39MAY 2144700340MAY 3461801740MAY 58332001