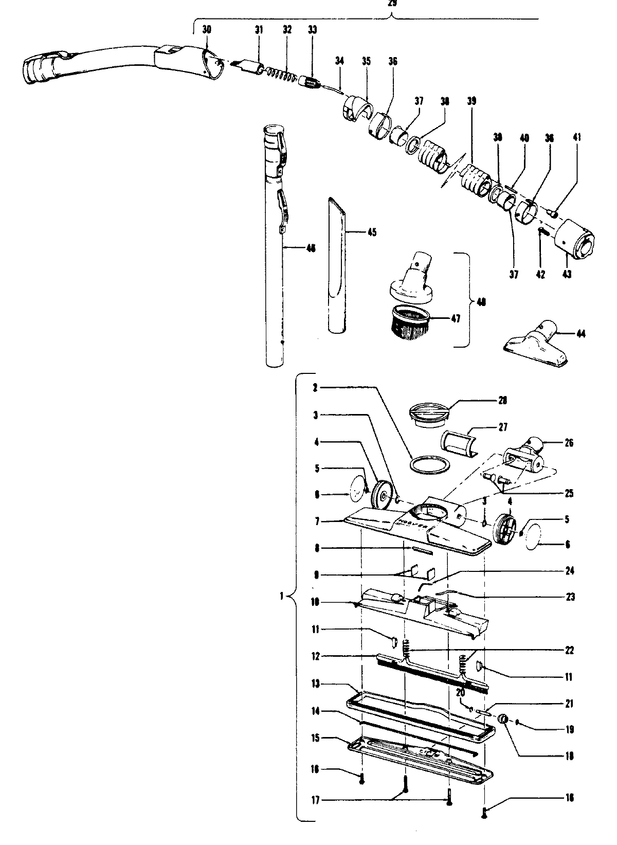
S3015— 02 – HOSE, CLEANINGTOOLSadmin2025-04-26T08:53:48+00:00S3015— 02 – HOSE, CLEANINGTOOLS ProductsPositionProduct1MAY 434141012MAY 341130013MAY 169241AW4MAY 169239AG5MAY 013730--6MAY 169242--7MAY 386150867MAY 386151018MAY 341120019MAY 3422300210MAY 169250AG11MAY 169253AY12MAY 169256--13MAY 169247JM14MAY 169251--15MAY 169538--16MAY 2148146417MAY 2148146518MAY 169243AG19MAY 2131275820MAY 2473508121MAY 169244AW22MAY 166649FW23MAY 3451300124MAY 3451300225MAY 169240AY26MAY 169249JM27MAY 3412200628MAY 4327103928MAY 169254JM29MAY 4343401030MAY 4346600231MAY 170355AJ32MAY 170340--33MAY 170350--34MAY 170327--35MAY 3865500636MAY 170354BZ37MAY 3215601038MAY 012126--39MAY 4343100240MAY 170329--41MAY 170325DM42MAY 3422100143MAY 3868300344MAY 4341405745MAY 3861701746MAY 4345800147MAY 013263BZ48MAY 161851JM48MAY 4341406449MAY 51611002