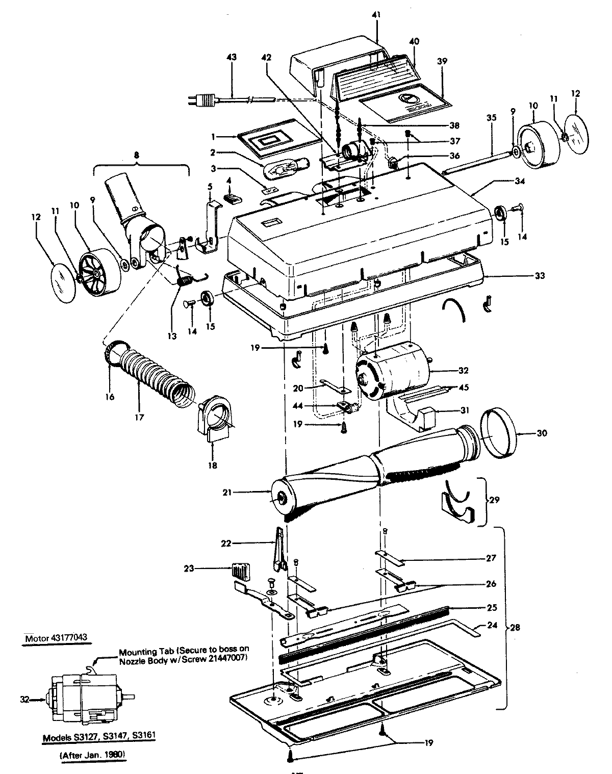
S3077— 05 – POWEREDNOZZLEadmin2025-04-26T08:54:11+00:00S3077— 05 – POWEREDNOZZLE ProductsPositionProduct1MAY 516390142MAY 273173073MAY 393820134MAY 384260724MAY 384260715MAY 346640078MAY 434680139MAY 3115500510MAY 3852200111MAY 013730--12MAY 169242--13MAY 3835500514MAY 2125602515MAY 3276100116MAY 166651--17MAY 4343119618MAY 3863801319MAY 2142940420MAY 3541200321MAY 4841600422MAY 5115103123MAY 3842608024MAY 3412300125MAY 4844300126MAY 3695200827MAY 3465400328MAY 4224605028MAY 4224600628MAY 4224600728MAY 4224600329MAY 4354800130MAY 3852801131MAY 3878100331MAY 3428400132MAY 4317707332MAY 2721201133MAY 3623501734MAY 4224104135MAY 3254300236MAY 163768--37MAY 2143422437MAY 2144700738MAY 3621800539MAY 5212500339MAY 5137502739MAY 5166100640MAY 3938301441MAY 4225200141MAY 4225200242MAY 4717100243MAY 4632100244MAY 012910--45MAY 4843805545MAY 4843808445MAY 4843808145MAY 4843812046MAY 5163800746MAY 34618017