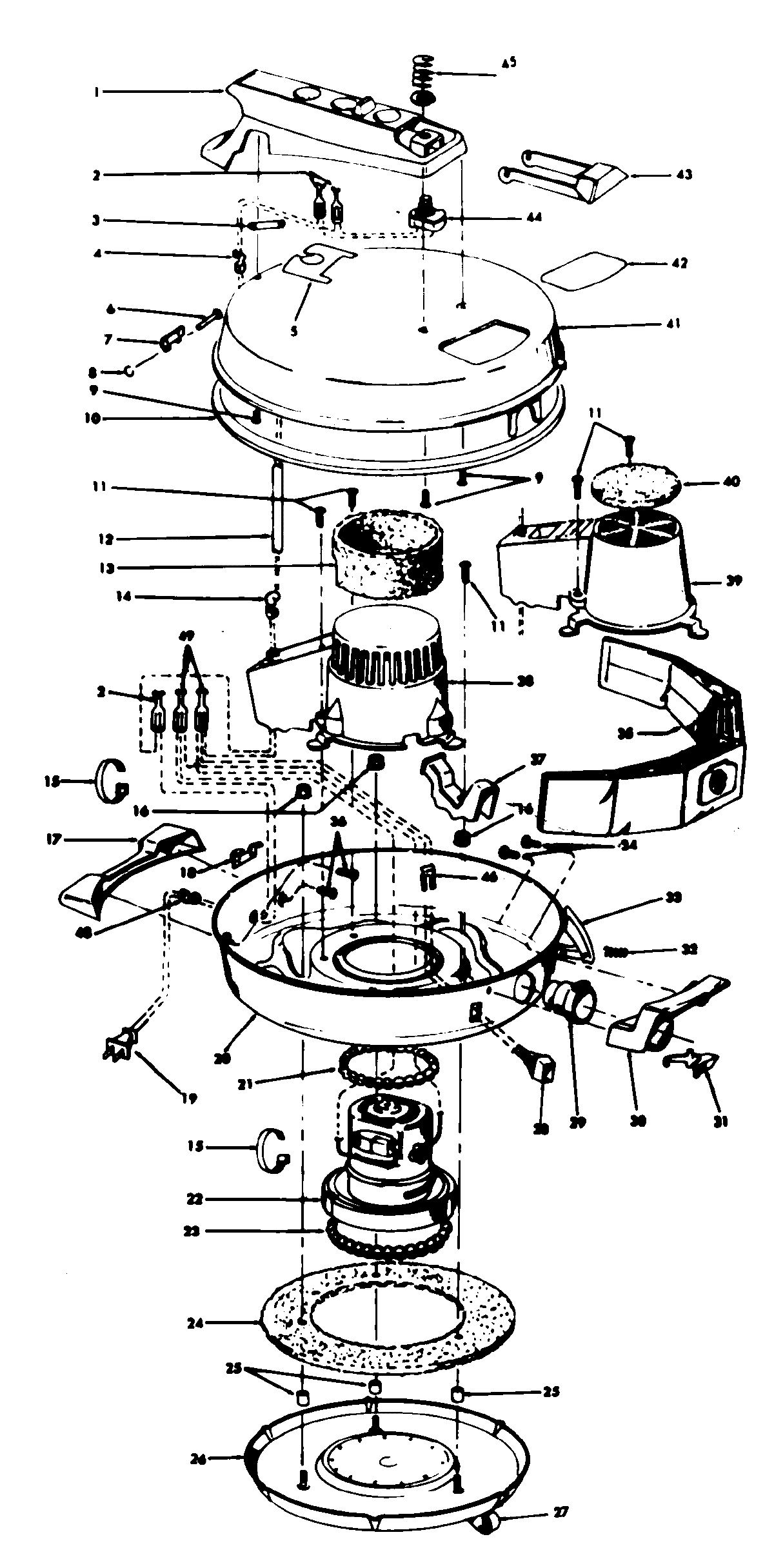
S3133— 03 – MAINHOUSING