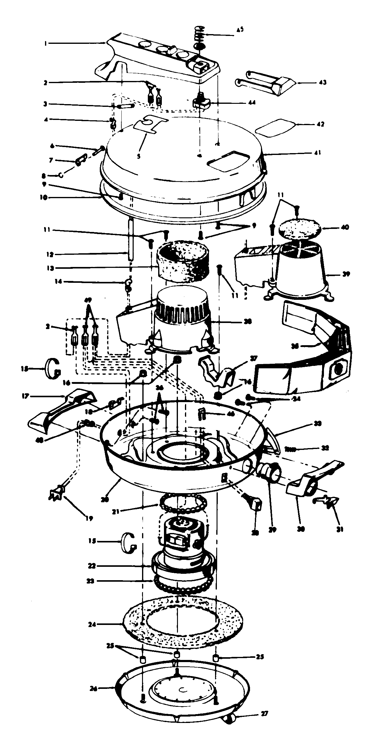
S3135— 03 – MAINHOUSINGadmin2025-04-26T08:54:18+00:00S3135— 03 – MAINHOUSING ProductsPositionProduct1MAY 364330021MAY 364330032MAY 048969--3MAY 213660034MAY 274823014MAY 274821205MAY 343630026MAY 047938--7MAY 352140048MAY 48123AV-9MAY 166735EF10MAY 170361KY10MAY 170361JM11MAY 017001FW12MAY 4631111213MAY 3876400614MAY 2748222715MAY 2747930716MAY 2165200317MAY 3692100817MAY 3692100918MAY 170348AW19MAY 4638306819MAY 4636319519MAY 4636322420MAY 4221332121MAY 169293--22MAY 4317700822MAY 4357707423MAY 169294--24MAY 3111400825MAY 3172102526MAY 4142118926MAY 4142131127MAY 2373720228MAY 4632609629MAY 170352AG30MAY 3945701230MAY 3945700631MAY 3615101232MAY 048512FW33MAY 016439JX33MAY 016439EW34MAY 2144702435MAY 4010009H36MAY 2144701437MAY 3795902038MAY 3719607039MAY 3719603340MAY 170332BZ41MAY 4221129441MAY 4221129141MAY 4221133842MAY 5212502042MAY 5212502442MAY 5212504343MAY 3845607143MAY 3845606544MAY 2821202645MAY 3831400246MAY 5651308746MAY 5651319146MAY 3472300146MAY 5825400146MAY 5833600146MAY 58347002