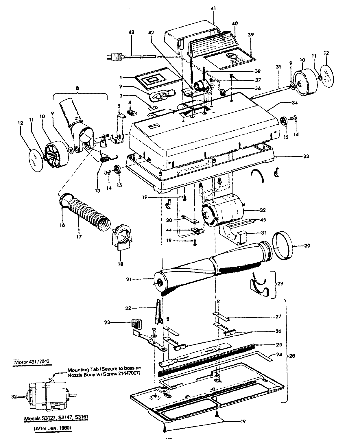
S3149— 05 – POWEREDNOZZLE