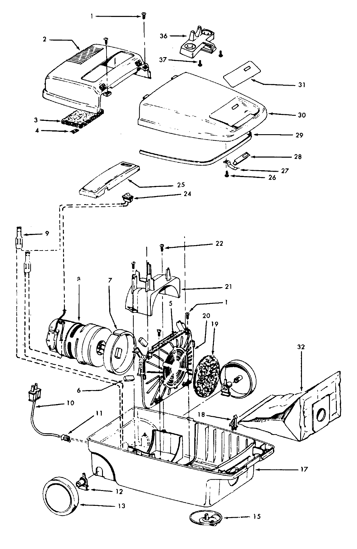
S3205022 04 – MAINHOUSINGadmin2025-04-26T08:53:50+00:00S3205022 04 – MAINHOUSING ProductsPositionProduct1MAY 214470412MAY 371950473MAY 341630034MAY 213660045MAY 341330076MAY 341320067MAY 341430028MAY 435770138MAY 435771099MAY 048969--10MAY 4636303911MAY 2748230112MAY 3851101513MAY 3852206115MAY 4143204017MAY 3723103918MAY 3615101519MAY 3111400920MAY 3642601221MAY 3632101122MAY 2144707224MAY 2816427625MAY 3721405226MAY 2144702727MAY 3617204628MAY 5115101029MAY 3878101030MAY 4221203030MAY 4221206231MAY 5137506231MAY 5137509132MAY 4010028K36MAY 3643305437MAY 5651320837MAY 5846102037MAY 5836401337MAY 5835300737MAY 5835101537MAY 2144700338MAY 4341407338MAY 3861701738MAY 4343401338MAY 3863801P38MAY 4341410138MAY 4341406438MAY 38614024