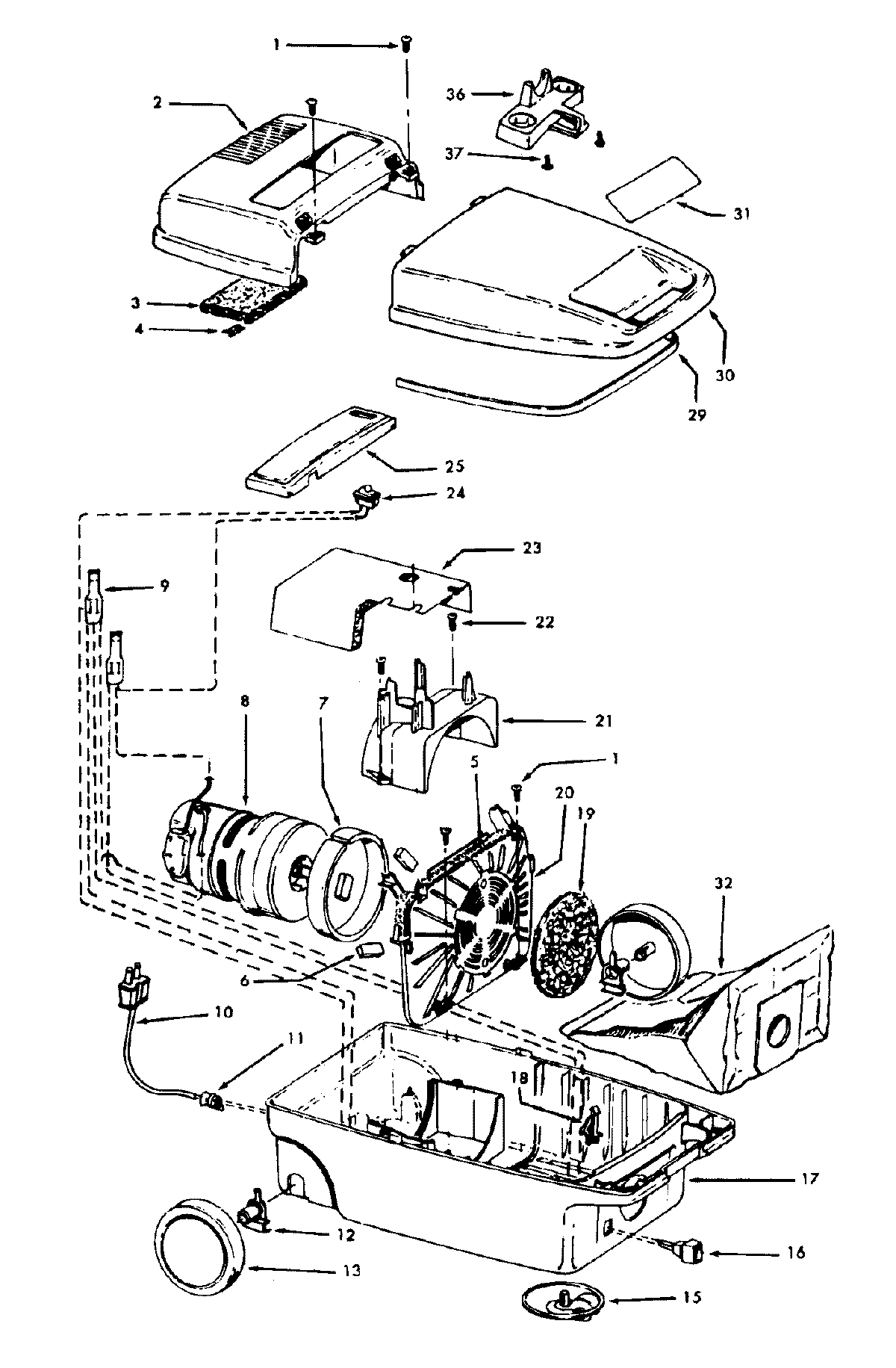
S3209022 02 – MAINHOUSINGadmin2025-04-26T08:53:58+00:00S3209022 02 – MAINHOUSING ProductsPositionProduct1MAY 214470412MAY 371950413MAY 341630034MAY 213660045MAY 341330076MAY 341320067MAY 341430028MAY 435770118MAY 435771099MAY 048969--10MAY 4636303911MAY 2748230112MAY 3851101513MAY 3852205813MAY 3852206115MAY 4143204016MAY 4632607917MAY 3723103617MAY 3722319217MAY 3722320418MAY 3615101519MAY 3111400920MAY 3642601221MAY 3632101122MAY 2144707223MAY 3428702124MAY 2816427625MAY 3721408625MAY 3721405229MAY 3878101030MAY 4221204130MAY 4221206030MAY 4221207031MAY 5212507131MAY 5212511132MAY 4010028K36MAY 3643305337MAY 5846102037MAY 2144700337MAY 5836606937MAY 3721408437MAY 5651322638MAY 4341407338MAY 3861402438MAY 4341401638MAY 4345305238MAY 3861701738MAY 4341406438MAY 4843819038MAY 43433111