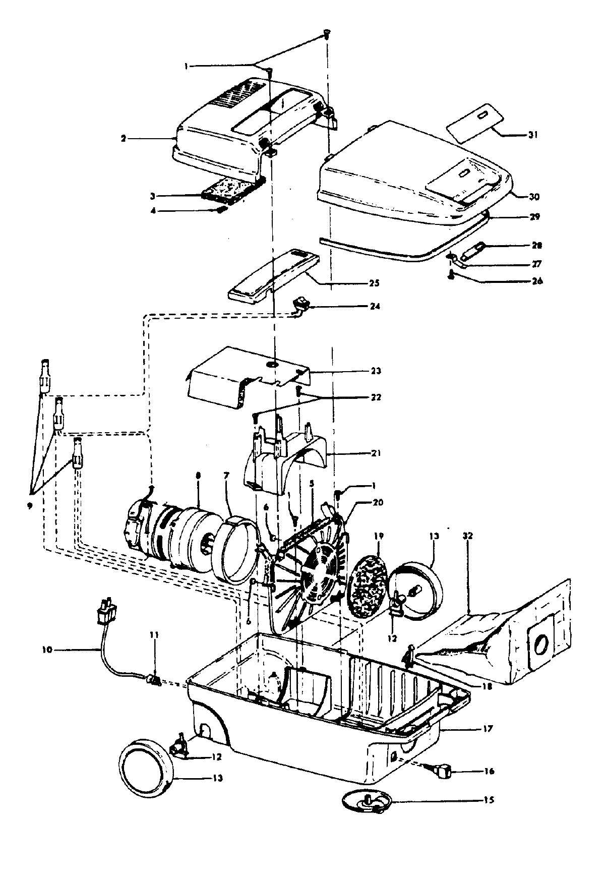
S3211— 02 – MAINHOUSINGadmin2025-04-26T08:54:11+00:00S3211— 02 – MAINHOUSING ProductsPositionProduct1MAY 214470412MAY 371950473MAY 341630034MAY 213660045MAY 341330076MAY 341320067MAY 341430028MAY 435771099MAY 048969--10MAY 4636303911MAY 2748230112MAY 3851101513MAY 3852206115MAY 4143204016MAY 4632607917MAY 3723101618MAY 3615101519MAY 3111400920MAY 3642601221MAY 3632101122MAY 2144707223MAY 3428702124MAY 2816200725MAY 3721405226MAY 2144702727MAY 3617204628MAY 5115101029MAY 3878101030MAY 4221203131MAY 5137506432MAY 5846102032MAY 5836401332MAY 5835300732MAY 5817402032MAY 5651317632MAY 4010028K33MAY 4343311133MAY 4341406433MAY 4345305233MAY 4843818933MAY 4341405733MAY 4345302733MAY 3861701733MAY 43414073