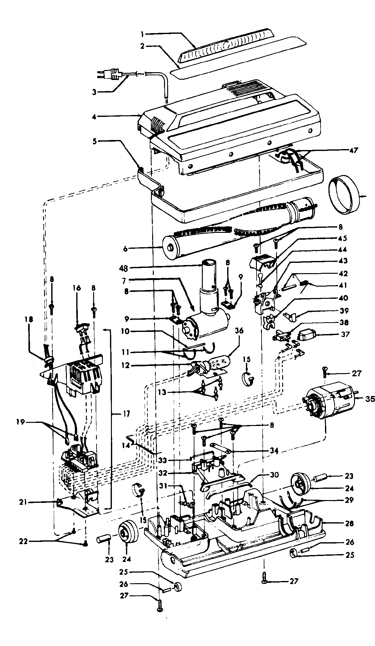
S3239— 05 – POWEREDNOZZLE