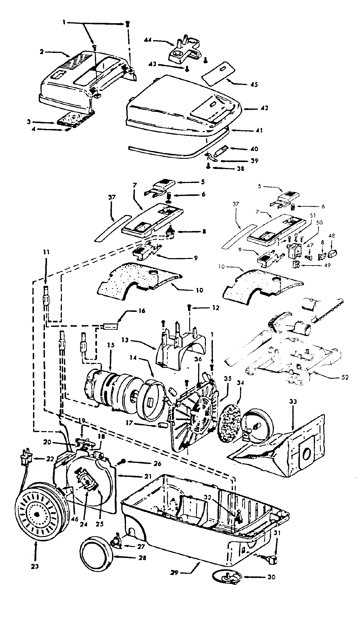
S3253001 04 – MAINHOUSINGadmin2025-04-26T08:54:11+00:00S3253001 04 – MAINHOUSING ProductsPositionProduct2MAY 371950623MAY 341630034MAY 213660045MAY 384220685MAY 384221066MAY 383190026MAY 383140027MAY 372141307MAY 372141428MAY 281770198MAY 282120269MAY 384221049MAY 3842211710MAY 3428702113MAY 3632101114MAY 3414300315MAY 4357710916MAY 2838202717MAY 3413201518MAY 3622200819MAY 3845800820MAY 3835300921MAY 3721516122MAY 4638323723MAY 4683110624MAY 4734807626MAY 2144707227MAY 3851101528MAY 3852203829MAY 3723100729MAY 3723102030MAY 4143204031MAY 4632607832MAY 3615101533MAY 4010028K34MAY 3111401035MAY 3642601236MAY 3413300737NOT REQUIRED PART OR SEE NOTE FUSE (NOT REQUIRED)38MAY 2144704139MAY 3617204640MAY 5115101041MAY 3878101042MAY 4221203443MAY 2144700344MAY 3643301545MAY 5137507546MAY 4683107647MAY 3856100348MAY 3725808249MAY 3436100150MAY 4226207551MAY 3845800252MAY 36433071