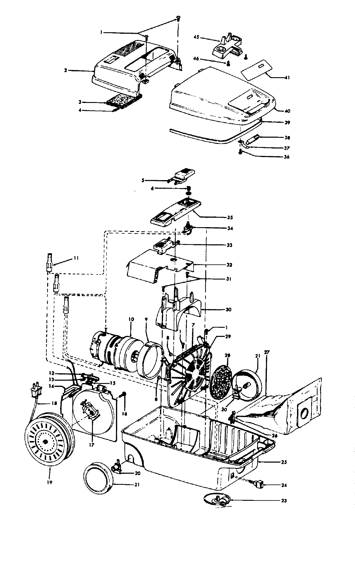
S3263— 01 – CORDREEL, MAINHOUSING