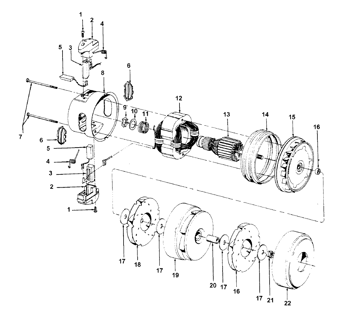
S3273— 04 – MOTOR ASSEMBLYadmin2025-04-26T08:53:49+00:00S3273— 04 – MOTOR ASSEMBLY ProductsPositionProduct1MAY 214294062MAY 168038--3MAY 168506--4MAY 383530045MAY 167679--6MAY 169702BZ7MAY 361120038MAY 421920169MAY 2134511610MAY 2131277811MAY 2419800212MAY 4531104813MAY 4476518514MAY 3632201215MAY 4355101316MAY 3114800917MAY 2131270118MAY 4356601719MAY 4219203320MAY 3174300321MAY 3342600122MAY 37196087