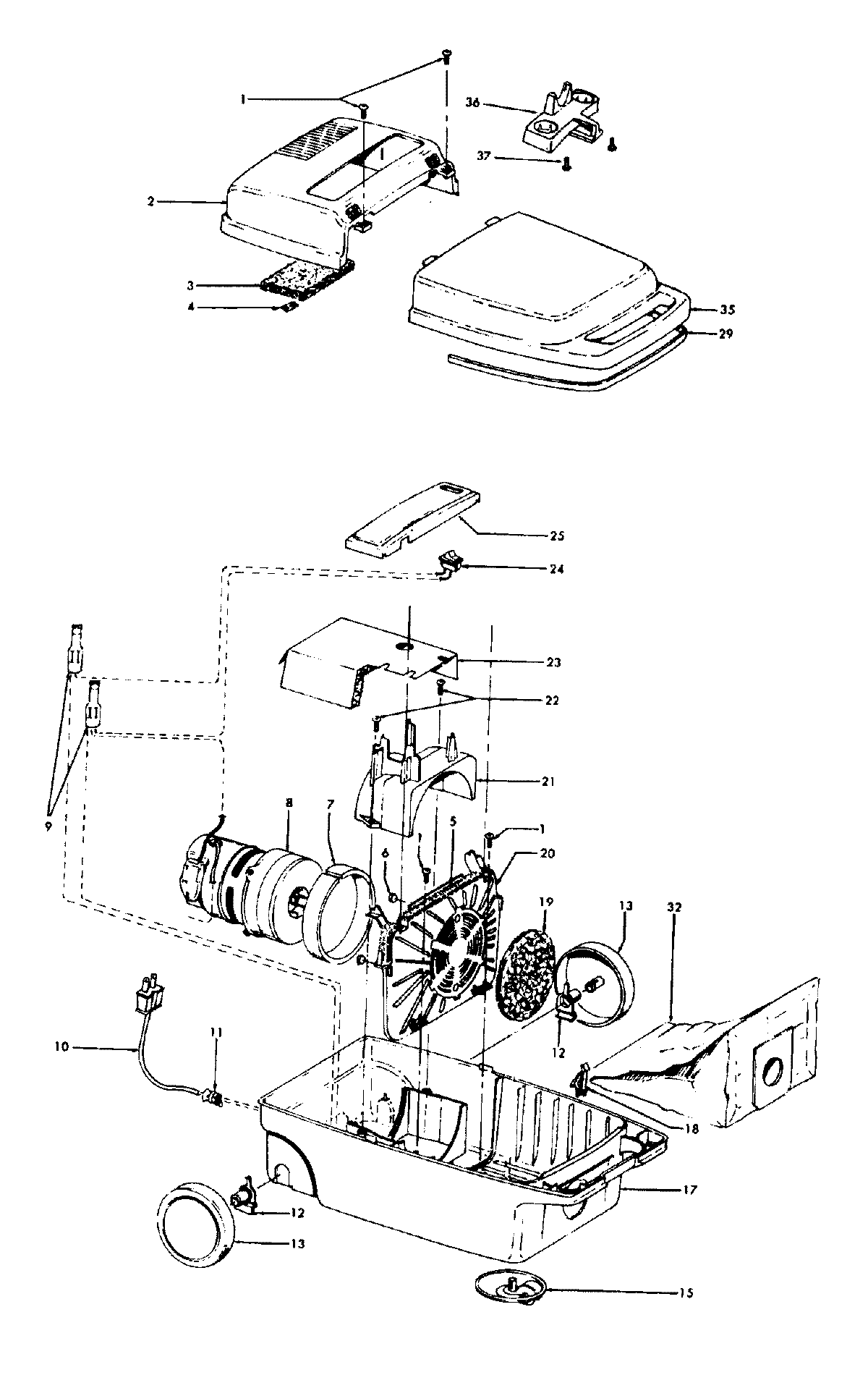
S3293— 02 – MAINHOUSINGadmin2025-04-26T08:54:02+00:00S3293— 02 – MAINHOUSING ProductsPositionProduct1MAY 214470412MAY 371950413MAY 341630034MAY 213660045MAY 341330076MAY 341320067MAY 341430028MAY 435770138MAY 435771099MAY 048969--10MAY 4636330511MAY 2748230112MAY 3851101513MAY 3852206115MAY 4143204017MAY 3723104118MAY 3615101519MAY 3111400920MAY 3642601221MAY 3632101122MAY 2144707223MAY 3428702124MAY 2816427625MAY 3721406629MAY 3878101032MAY 4010028K35MAY 4221205236MAY 3643304637MAY 5651322037MAY 5835300737MAY 5846102337MAY 5835101537MAY 2144700337MAY 5833201538MAY 4341410138MAY 4341406438MAY 3861402438MAY 3863801P38MAY 4343401338MAY 4341407338MAY 38617017