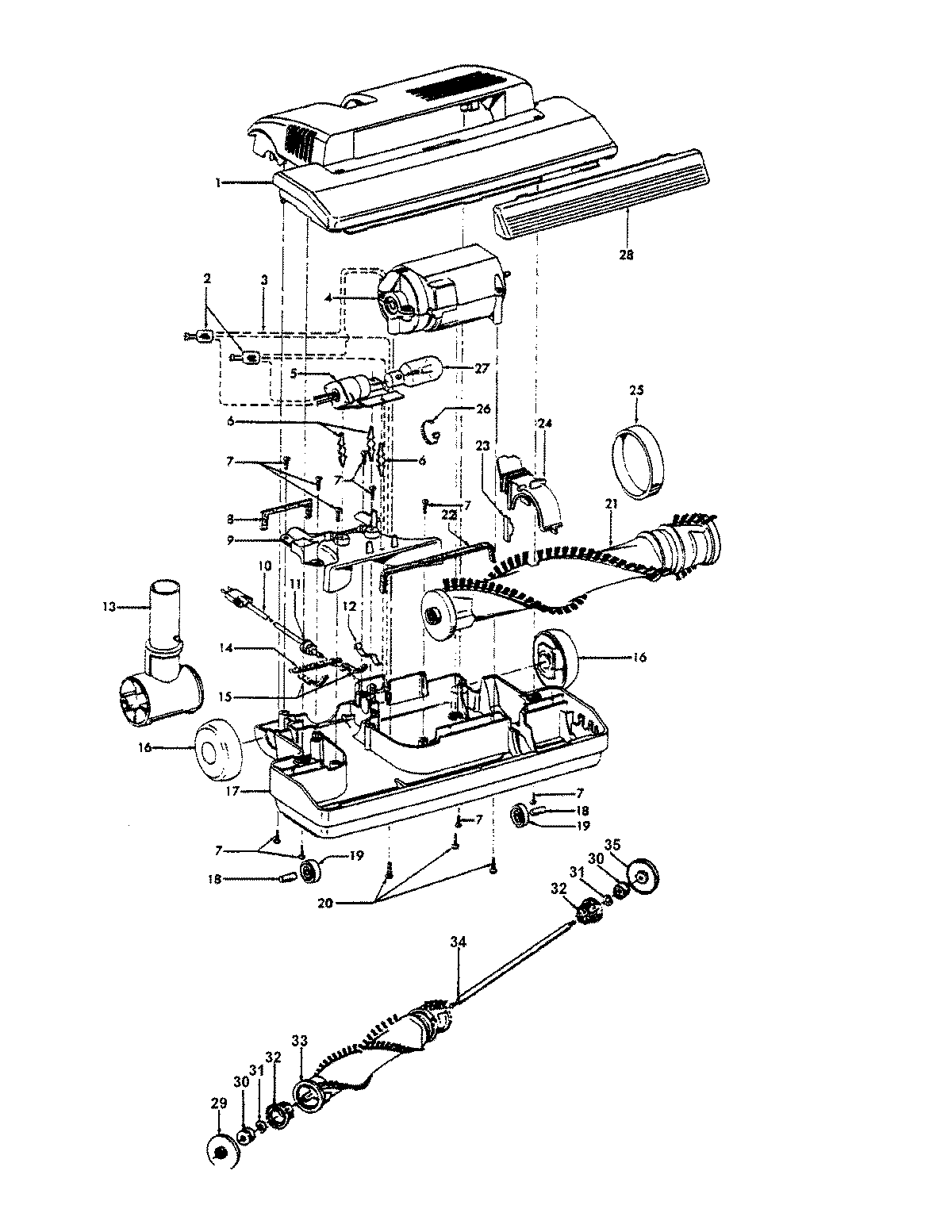
S3377050 06 – POWEREDNOZZLE, AGITATORadmin2025-04-26T08:54:22+00:00S3377050 06 – POWEREDNOZZLE, AGITATOR ProductsPositionProduct1MAY 484382301MAY 422522012MAY 012227--2MAY 018972--4MAY 431770625MAY 471710206MAY 362160167MAY 214470038MAY 342530189MAY 4225609910MAY 4632108811MAY 163768--12MAY 3527600813MAY 4348210614MAY 3411200715MAY 3412201416MAY 4324402717MAY 4224611518MAY 3152200419MAY 3276100120MAY 2147980121MAY 4841408122MAY 3412303923MAY 13261AY-24MAY 3692300825MAY 3852801126MAY 2747930727MAY 2731730728MAY 3938309429MAY 3642301630MAY 4326700231MAY 2134700334NOT REQUIRED PART OR SEE NOTE FUSE (NOT REQUIRED)35MAY 36423017