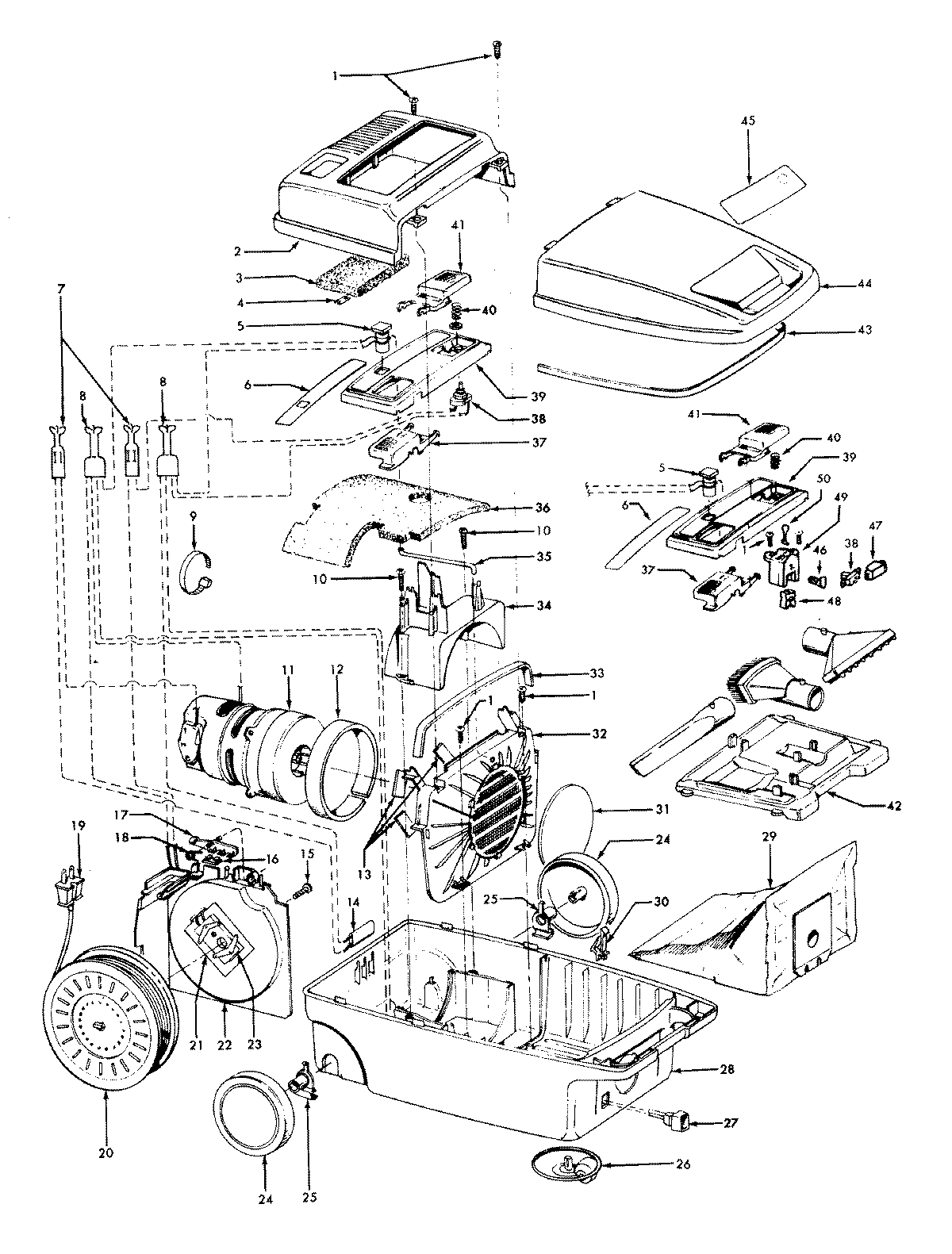
S3407035 04 – MAINHOUSINGadmin2025-04-26T08:54:28+00:00S3407035 04 – MAINHOUSING ProductsPositionProduct1MAY 214470412MAY 371950552MAY 371950622MAY 371950742MAY 371950773MAY 341630034MAY 213660045MAY 273432128MAY 036120--9MAY 2747930711MAY 4357710911MAY 4357805111MAY 4357806912MAY 3414300212MAY 3414300313MAY 3413200613MAY 3413201514MAY 2838202715MAY 2144707216MAY 3622200817MAY 3845800818MAY 3835300919MAY 4638317719MAY 4638323720MAY 4683110622MAY 3721516622MAY 3721516522MAY 3721516122MAY 3721517023MAY 4734807624MAY 3852203824MAY 3852206125MAY 3851101526MAY 4143204027MAY 4632607828MAY 3723105028MAY 3723107229MAY 4010028K30MAY 3615101531MAY 3111401032MAY 3642601232MAY 3642601433MAY 3413300734MAY 3632101134MAY 3632101235MAY 3172702536MAY 3428702137MAY 3842212337MAY 3842212037MAY 3842212137MAY 3842212438MAY 2817701938MAY 2821202639MAY 3721415539MAY 3721415139MAY 3721414639MAY 3721415439MAY 3721415740MAY 3831900240MAY 3831400241MAY 3842206841MAY 3842214641MAY 3842214741MAY 3842214942MAY 3643307143MAY 3878101044MAY 4221209344MAY 4221210244MAY 4221203444MAY 4221202944MAY 3723310444MAY 4221204044MAY 4221210045MAY 5212510246MAY 3856100347NOT REQUIRED PART OR SEE NOTE FUSE (NOT REQUIRED)48MAY 3436100149MAY 4226207550MAY 3845800251MAY 3617204651MAY 3643301551MAY 51151010