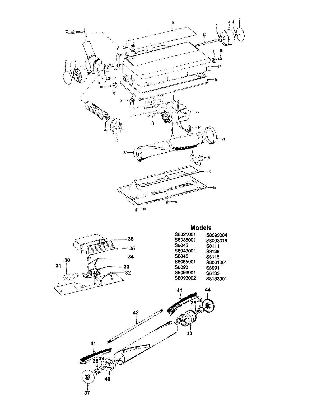
S3413021 06 – POWEREDNOZZLE, AGITATOR