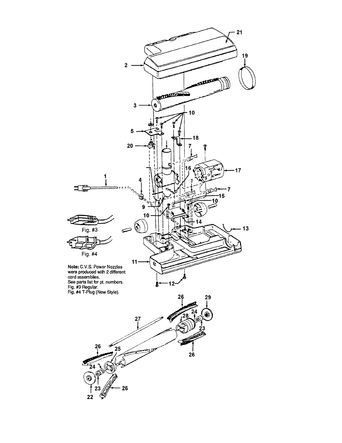
S3417001 06 – POWEREDNOZZLE, AGITATORadmin2025-04-26T08:54:18+00:00S3417001 06 – POWEREDNOZZLE, AGITATOR ProductsPositionProduct1MAY 463211011MAY 463210612MAY 422521742MAY 422521705MAY 346630036MAY 434820246MAY 434821096MAY 434820297MAY 036120--8MAY 341120059MAY 3433700310MAY 2144704111MAY 4224612012MAY 2144700713MAY 3433700414MAY 4226609015MAY 3412301516MAY 3527600117MAY 4317707318MAY 3527100119MAY 3852801120MAY 2921202621MAY 5212511521MAY 5212509721MAY 4843814321MAY 4843822222MAY 4143501822MAY 4841601122MAY 4841401823MAY 4326700224MAY 2134700325MAY 3642200126MAY 4844501727MAY 160070-28MAY 3853700229MAY 41435021