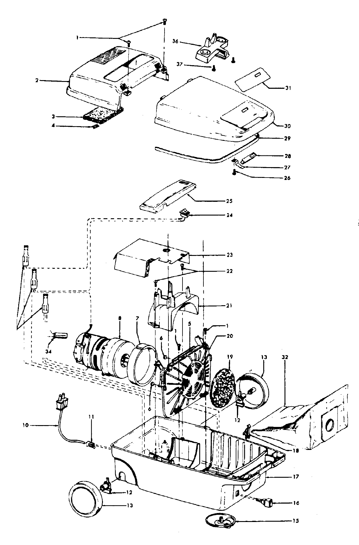
S3419— 02 – MAINHOUSINGadmin2025-04-26T08:53:37+00:00S3419— 02 – MAINHOUSING ProductsPositionProduct1MAY 214470412MAY 371950892MAY 371950413MAY 341630034MAY 213660045MAY 341330076MAY 341320157MAY 341430038MAY 435780519MAY 048969--10MAY 4636303911MAY 2748230112MAY 3851101513MAY 3852206115MAY 4143204016MAY 4632607917MAY 3723106317MAY 3723105418MAY 3615101519MAY 3111401020MAY 3642601421MAY 3632101222MAY 2144707223MAY 3428702124MAY 2816427625MAY 3721405225MAY 3721406626MAY 2144702727MAY 3617204628MAY 5115101029MAY 3878101030MAY 4221203431MAY 5137509831MAY 5137508932MAY 4010028K34MAY 4753401836MAY 3643304936MAY 3643301537MAY 2144700337MAY 5651321037MAY 5846102337MAY 5836606938MAY 3861701738MAY 4345305238MAY 4843802438MAY 4341406438MAY 4341407338MAY 4343311138MAY 4843819038MAY 43414057