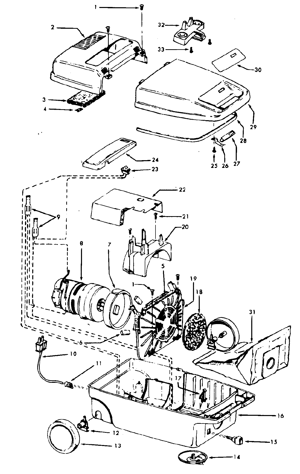
S3420— 02 – MAINHOUSING, MOTOR ASSEMBLYadmin2025-04-26T08:54:22+00:00S3420— 02 – MAINHOUSING, MOTOR ASSEMBLY ProductsPositionProduct1MAY 214470412MAY 371950753MAY 341630034MAY 213660045MAY 341330076MAY 341320067MAY 341430028MAY 435770119MAY 018972--10MAY 4636330511MAY 2748230112MAY 3851101513MAY 3852206114MAY 4143204015MAY 4632607916MAY 3722329617MAY 3615101518MAY 3111400919MAY 3642601220MAY 3632101121MAY 2144707222MAY 3428702123MAY 2816106324MAY 3721416327NOT REQUIRED PART OR SEE NOTE FUSE (NOT REQUIRED)28MAY 3878101029MAY 4221213630MAY 5212514731MAY 4010028K32MAY 3643306033MAY 4343311133MAY 3861402433MAY 2144700333MAY 4341406433MAY 4345305233MAY 4843823533MAY 3861701733MAY 5846102333MAY 56513347