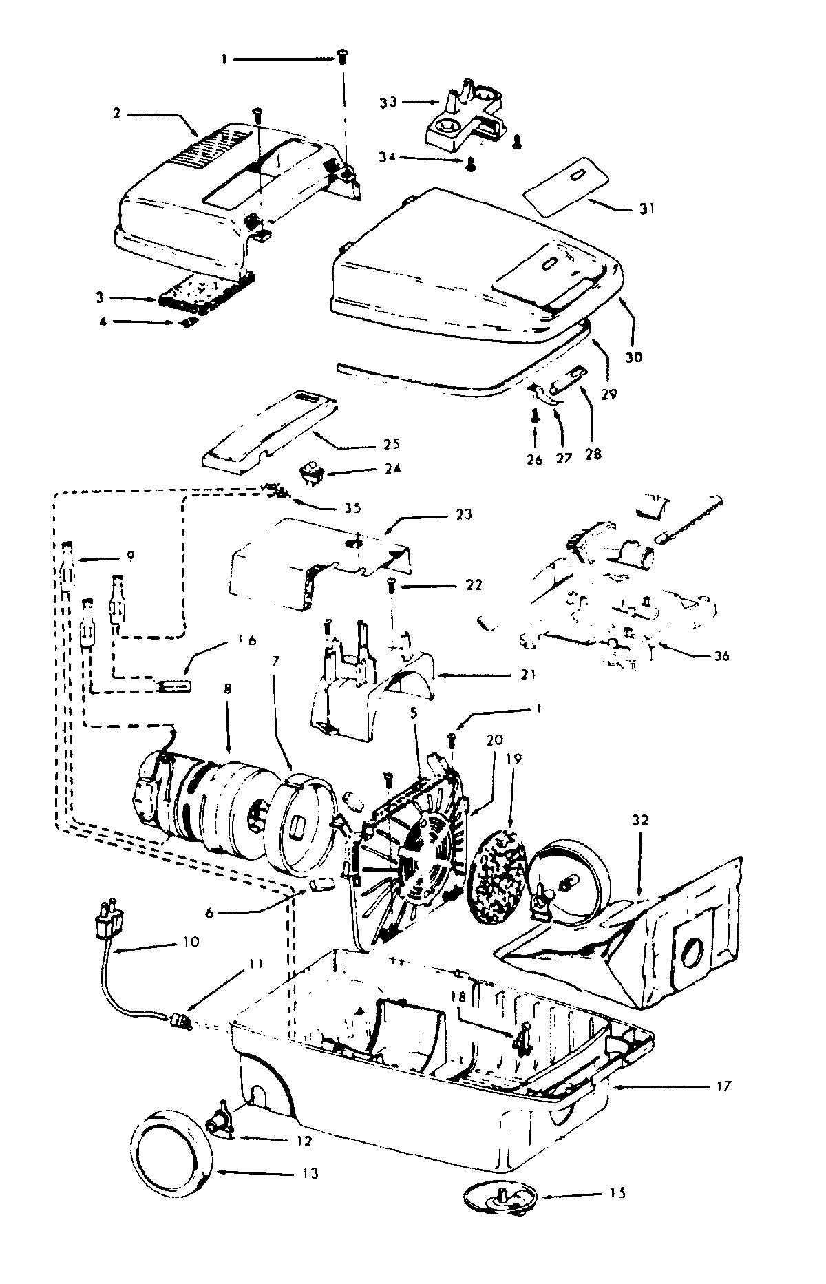
S3431— 02 – MAINHOUSINGadmin2025-04-26T08:53:46+00:00S3431— 02 – MAINHOUSING ProductsPositionProduct1MAY 214470412MAY 371950842MAY 371950752MAY 371950893MAY 341630034MAY 213660045MAY 341330076MAY 341320157MAY 341430028MAY 435780518MAY 435780699MAY 048969--9MAY 012227--10MAY 4636303910MAY 4636329711MAY 2748230112MAY 3851101513MAY 3852205813MAY 3852206115MAY 4143204016MAY 4753401817MAY 3722321317MAY 3723106918MAY 3615101519MAY 3111401020MAY 3642601421MAY 3632101222MAY 2144707223MAY 3428702124MAY 2816427625MAY 3721405225MAY 3721416726MAY 2144702727MAY 3617204628MAY 5115101029MAY 3878101030MAY 4221207530MAY 4221211830MAY 4221209630MAY 4221210231MAY 5212512331MAY 5137506431MAY 5212511232MAY 4010028K33MAY 3643306033MAY 3643305934MAY 2144700335MAY 160472--36MAY 5651325236MAY 5651328136MAY 5846102136MAY 3643307136MAY 5651331036MAY 5835101536MAY 5836401536MAY 5846102336MAY 5836401336MAY 5835300737MAY 3861701737MAY 4343401337MAY 3863801P37MAY 4345302737MAY 4343423337MAY 4341406437MAY 0M11416937MAY 4341407337MAY 3861402437MAY 43414101