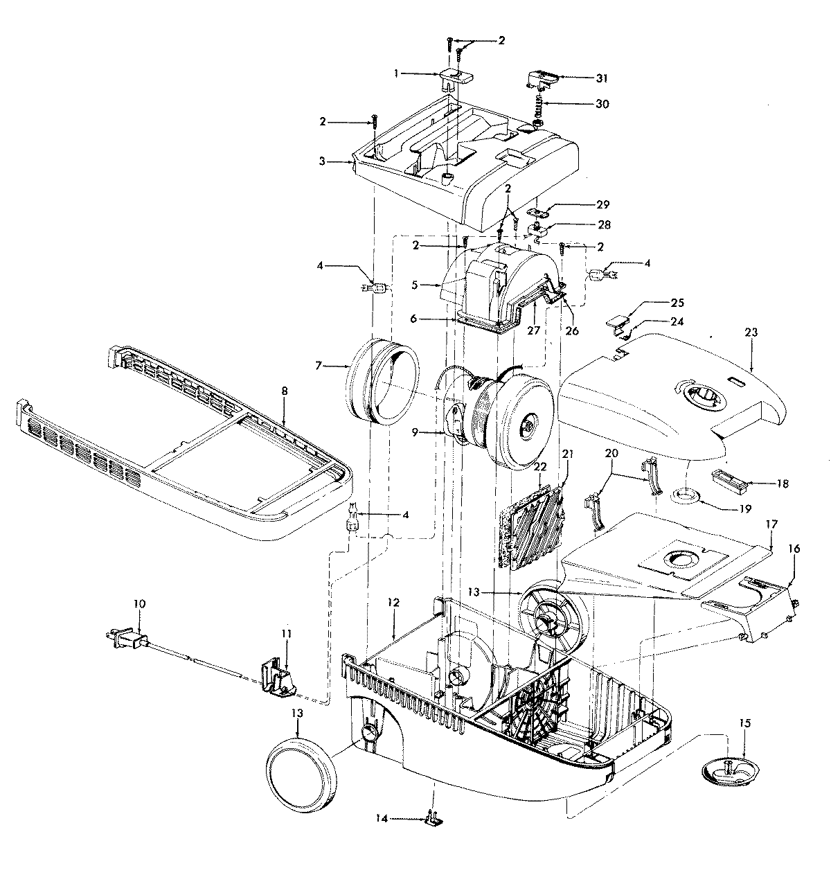
S3513— 03 – MAINHOUSINGadmin2025-04-26T08:51:49+00:00S3513— 03 – MAINHOUSING ProductsPositionProduct1MAY 394420342MAY 214472173MAY 414261173MAY 414260523MAY 414260554MAY 012227--5MAY 413120406MAY 346330037MAY 363220318MAY 362350699MAY 435761269MAY 435761869MAY 435761169MAY 435761149MAY 4357611810MAY 4638328911MAY 3621503312MAY 4221505213MAY 3852206514MAY 3725813414MAY 3725813015MAY 4143204016MAY 3642401017MAY 4010064S18MAY 5115101019MAY 3642401220MAY 3615102721MAY 3794400522MAY 3876500923MAY 4221706523MAY 4221715023MAY 4221713523MAY 4221710724MAY 3835100925MAY 3615304225MAY 3615304026MAY 3463300227MAY 3412304028MAY 2821804828MAY 2821202629MAY 3413501430MAY 3831402230MAY 3831402631MAY 3842216231MAY 5836800731MAY 5651333231MAY 5651333031MAY 5836200431MAY 3842216431MAY 5821101131MAY 5821101232MAY 3861701732MAY 4343424232MAY 4341405732MAY 4345302732MAY 4341410132MAY 4341406432MAY 43453018