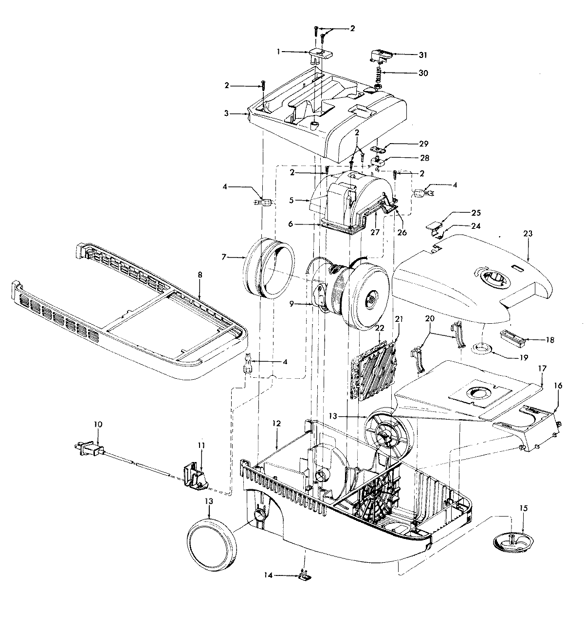
S3517— 03 – MAINHOUSING