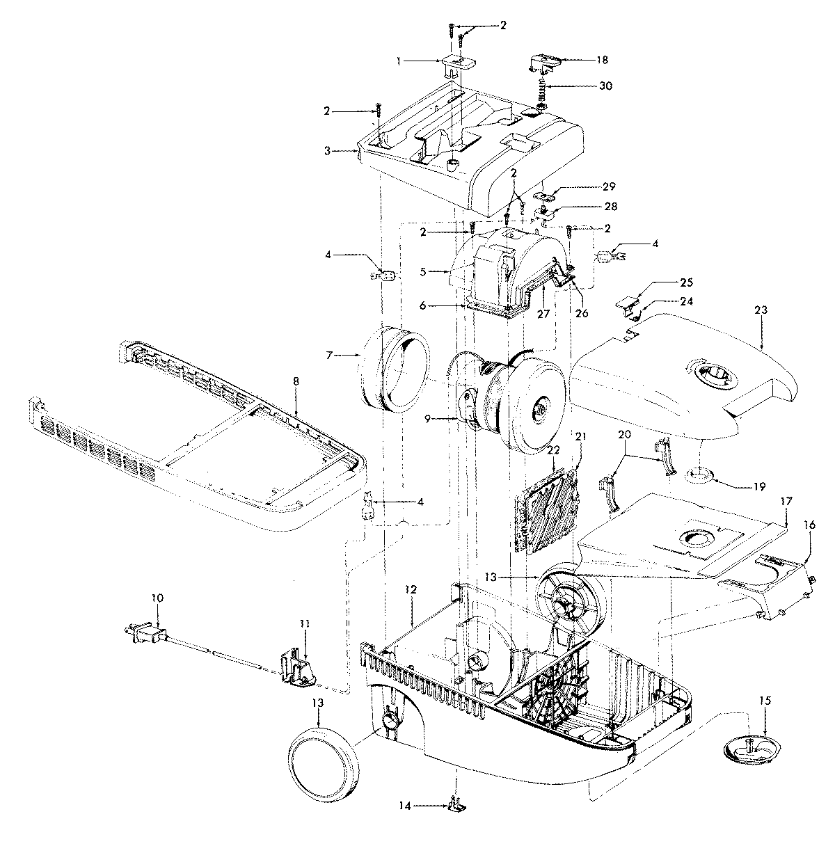
S3527— 03 – MAINHOUSING